Профилактические меры
Для того чтобы заводская проводка Лада Гранта служила долго и не ломалась, опытные эксперты настоятельно рекомендуют выполнять ряд не сложных правил.
- Периодически проверять все контактные разъемы и клеммы на предмет окислений и ржавления. Подобные повреждения соединений могут вызвать короткое замыкание и критическое снижение проводимости магистрали, что воспринимается бортовым компьютером как ошибка или поломка.
- Использовать только оригинальные расходные материалы и элементы электроники. Применение поддельной продукции не дает гарантии работоспособности цепи. При этом некоторые элементы, при повреждении вызывают перепад напряжения в сети, что становится прямой причиной выхода из строя остального оборудования или пожара.
- Использовать специальное масло для обработки контактных групп. Жидкость продается в автомагазинах или магазинах электроники. После обработки, контакты покрываются влаго не проницаемым слоем, что в 2-3 раза увеличивает срок их эксплуатации.
- Тщательно следить за степенью зарядки и состоянием аккумуляторной батареи. Проводка Лада Гранта критично воспринимает значительное падение напряжения в бортовых цепях. Как следствие – это может стать причиной повреждения прошивки электронных блоков управления.
Распиновка Лада Гранта
Современная модель Лада Гранта востребована сред отечественных автолюбителей по причине оптимальной стоимости и достаточной надежности. Хорошая прочность и небольшая стоимость расходных материалов дополнительно стимулируют спрос среди населения. Минусом автомобиля выступают частые поломки в электрической части. Бортовые системы нередко выходят из строя. На сайте представлена подробная электрическая схема Гранта с пояснениями и расшифровкой.
Полная распиновка Гранта, разбита не несколько участков для более подробного изображения и облегчения восприятия. Здесь присутствуют.
- Подкапотная часть – жгут объединяет все элементы проводов, расположенных в районе двигателя и основных приборов.
- Салонный модуль. Конструкция дополнительно разделена на зоны, предусматривающие подключение отдельных частей проводки.
- Модуль панели приборов. Здесь сосредоточены все элементы, идущие от датчиков, приборов и индикаторов.
- Задний жгут расположен в кормовой части автомобиля и отвечает за подачу питания к модулям освещения, замков и приборов.
Все приведенные расшифровка взяты из официальной инструкции производителя и полностью соответствуют заводским обозначениям и схеме версии стандарт.
Точки подключения автосигнализации на Lada Granta 2017, комплектация с одним водительским концевиком
Замок зажигания:+12 – коричневыйзажигание – синий/черныйстартер – красный
Центральный замок (силовое управление) – вставить провода в pin 2 и pin 7 в разъём электропривода водительской двери.
Сигнализация Pandora DX50 по can – обход иммобилайзера, заведённый двигатель, ручник, тормоз.
Сигнализация Starline A93 2Can по can – то же самое, что и Пандора ДХ50 плюс блокировка двигателя.
Концевик водительской двери (-) – зелёный/красный в пороге водителя. К нему же подключаем все установленные концевики дверей. В разрыв зелёно/красного ставим диод. Сигналкой подключаемся в разрыв со стороны концевика.
Концевик багажника (-) – белый/чёрный на подсветке багажника. Ставим диод в разрыв и подключаемся сигнализацией в сторону концевика.
Открывание багажника (+) – замкнуть контакты на кнопке отпирания багажника с помощью нормально-разомкнутых контактов реле.
Концевик капота – устанавливаем свой.
LIN нет.
Панель приборов:CAN – розовый/зелёный и жёлтый/синийповороты – синий и синий/чёрный
Бензонасос (+) – серый в пороге водителя
П О П У Л Я Р Н О Е:
В практике владельца автомобиля весьма полезен прибор, при помощи которого на работающем двигателе можно проверить угол опережения зажигания, от правильной установки которого зависит безупречная и экономичная работа двигателя.
В статье, ниже предлагается простая схема данного прибора (стробоскопа) с лампой ИФК-120.
Моросит дождик. Я включаю стеклоочиститель. Два-три цикла работы щеток, и ветровое стекло становится сухим. Я выключаю стеклоочиститель. Но через 30 с стекле снова становится грязным. Я вновь включаю стеклоочиститель и т. д.
Такой режим работы не рационален ни для переднего стеклоочистителя, ни для заднего. Последний в этом случае часто работает «по сухому», поскольку на заднее стекло попадает меньше капель дождя (правда, это компенсируется большим количеством грязи). Однако уже довольно давно известны стеклоочистители периодического действия. Поэтому предлагаемая система представляет определенный интерес для всех транспортных средств, учитывая ее невысокую стоимость. Подробнее…
Для велосипедиста в процессе движения важно знать скорость велосипеда и пройденный путь. Определение длины велопробега довольно просто решается с помощью механического прибора, серийно выпускаемого промышленностью и устанавливаемого на одну из вилок колеса
Механический указатель скорости велосипеда не получил широкого применения. Подробнее…
голоса
Рейтинг статьи
Правила безопасности при работе с электрооборудованием
Правила, которые следует учитывать для безопасной работы с электрическим оборудованием:
- Прежде чем самостоятельно разобраться с усовершенствованием электрики авто и начинать любые работы, связанные с электрооборудованием и приборами, нужно отключить аккумулятор. Отсоединять провод с питанием батареи допускается только при отключенном зажигании и заглушенном двигателе.
- При диагностике целостности электроцепей не допускается замыкание на «землю» любых токонесущих проводников. Для обеспечения безопасности не нужно даже проверять кабели на «искру». Это может стать причиной замыкания и дальнейшего выхода из строя электрического оборудования.
- Не рекомендуется применение предохранительных устройств, не предусмотренных производителем для использования в данной модели машин. Также не нужно устанавливать детали, которые рассчитаны на более высокую нагрузку. Не допускается применение проволоки вместо предохранителя в случае выхода из строя последнего. Такие манипуляции могут привести к возгоранию.
- При проведении сварочных работ на транспортном средстве пользователь должен заранее обесточить электросеть и отключить аккумулятор, генераторный узел, а также управляющий модуль. Для защиты клемм батареи от окисления должна производиться их регулярная очистка от следов налета. То же самое касается наконечников любых других проводов.
Электросхема автомобиля Лада Гранта
Аккумулятор, расположенный в моторном отсеке. Основной монтажный модуль с предохранительными элементами. Генераторный узел. Электросхема гранта норма гудок клаксон. Разъем для подключения к приборной комбинации. Еще одна аналогичная колодка. Разъем для соединения с приборной панелью. Мотор электрического типа для вентилятора электросхема гранта норма системы. Электрический вентилятор охладительной системы силового агрегата. Гидравлический модуль системы ABS.
Контроллер скорости, установленный на переднем правом колесе. Датчик скорости для переднего левого колеса. Контроллер автоматической коробки передач, если она предусмотрена производителем. Трансмиссионный агрегат. Разъем для подключения к автоматической трансмиссии. Штекер для соединения с селектором коробки передач.
Выход с разъемом, идущий на контроллер скорости трансмиссии. Компрессор системы кондиционирования. Фотогалерея: электросхемы передней части авто Цветные карты соединения Лады Гранты: Схема электрических соединений электрооборудования в задней части автомобиля Разъем для подключения заднего жгута к кабелям приборной электросхема гранта норма.
Аналогичная колодка, предназначенная для соединения с панелью приборов. Правый внешний поворотный указатель, расположенный сбоку. Левая боковая поворотная фара.


Контроллер определения состояния стояночного тормоза. Компонент системы прогрева заднего стекла. Осветительное устройство в электросхема гранта норма авто. Переключатель, установленный в ремне безопасности владельца. Плафон для освещения багажного отделения. Модуль электрического топливного насоса.
Правая задняя фара. Электрический двигатель системы блокировки двери багажного отсека. Выключатель системы освещения в салоне автомобиля.

Дополнительный стоп-сигнал. Левая задняя фара. Разъем для соединения заднего жгута с кабелями, расположенными в левой двери сзади.

Цифра, присутствующая за знаком дроби, свидетельствует о своем соответствии номеру контакта токоприемника. С принципом работы конкретно взятого электронного блока читатель может ознакомиться в электросхема гранта норма режиме. Если неисправности незначительные, то они не создают затруднений в процессе ремонта или замены.
Но ситуация меняется, когда из строя выбыл сложный узел, что подразумевает необходимость обращаться к электрикам. Для понимания ситуации с неисправностью конкретного токоприемника от владельца LADA Granta не требуется помнить все детали и мелочи компоновочного чертежа, а достаточно будет знать место размещения электросхема гранта норма и особенность подводящей к нему проводки.
Электросхема Лада Гранта
Также полезной будет информация о приемах, позволяющих оперативно электросхема гранта норма пришедший в негодность предохранитель или реле. В монтажном блоке Лада Гранта предусмотрены резервные предохранители и реле такого же характера.
Предохранительные элементы необходимы для защиты цепей от токовых перегрузок, которые приводят не только к выходу из строя прибора, но и защищают цепь от короткого замыкания, электросхема гранта норма риском последующего возгорания.
В такой электросхема гранта норма происходит нагревание плавкой вставки, после чего ее элемент перегорает, тем самым отключая подачу питания к токоприемнику. Замену предохранителей разрешается осуществлять только на аналоги, настроенные на такую электросхема гранта норма максимальную силу тока. Пренебрежение этим важным правилом также способно спровоцировать поломки и возгорания.
Для питания сети служит аккумулятор, генерирующий напряжение в 12 В. Подзарядка устройства производится во время работы мотора и непосредственно от генераторного узла. Коммутация их выполнена посредством реле-регулятора, в функционал которого заложена возможность обеспечивать поддержание напряжения постоянной величины вне зависимости от числа оборотов мотора в данный момент.

Разводка в автомобильной электросети предполагает коммутацию всех присутствующих токоприемников. Кабели наделены медными жилами, которых в одном проводе может быт. Жилы облачены в полихлорвиниловую изоляцию.
Принципиальная электрическая схема автомобиля ВАЗ- 2190 (ГРАНТА)
Схема электрических соединений жгутов автомобиля LADA GRANTA ВАЗ-2190
Если у Вас есть принципиальная электрическая схема автомобиля ВАЗ-2190 (ГРАНТА) и мультиметр или вольтметр (до 15в), или даже (можно собрать самому этот упрощённый авометр), а так же имея небольшие познания в электротехнике можно самому разобраться в поломке электрической части своего автомобиля.
Схемы цветные. Все цвета проводов соответствуют своей цветовой маркировке.
Жгуты проводов автомобиля LADA GRANTA 21900
- Жгут проводов панели приборов — 21900-3724030-00
- Жгут проводов системы зажигания — 21900-3724026-40
- Жгут проводов форсунок — 2111-3724036-00
- Жгут проводов задний — 21900-3724210-00


- — колодка жгута проводов панели проводок к колодке жгута проводов переднего;
- — колодка жгута проводов панели проводок к колодке жгута проводов переднего;
- — колодка жгута проводов панели проводок к колодке жгута проводов заднего;
- — колодка жгута проводов панели проводок к колодке жгута проводов заднего;
- — модуль управления светотехникой;
- — замок зажигания;
- — переключатель режимов бортового компьютера;
- — переключатель стеклоочистителей;
- — комбинация приборов;
- — переключатель световой сигнализации;
- — выключатель привода замка багажника;
- — колодка диагностики;
- — колодка жгута проводов панели приборов к колодке жгута проводов коробки воздухопритока;
- — выключатель обогрева заднего стекла;
- — выключатель аварийной сигнализации;
- — выключатель сигнала торможения;
- — колодка жгута проводов панели приборов к радиоаппарату;
- — колодка жгута проводов панели приборов к радиоаппарату;
- — устройство вращающееся;
- — модуль надувной подушки безопасности водителя;
- — — —
- — монтажный блок;
- — электроусилитель рулевого управления;
- — прикуриватель;
- — лампа подсветки табло управления отопителем;
- — осветитель;
- — колодка жгута проводов панели приборов к колодке жгута проводов системы зажигания;
- — контроллер;
- — выключатель сигнала положения педали сцепления;
- — педаль акселератора электронная;
- — резистор добавочный;
- — электродвигатель отопителя;
- — переключатель электродвигателя отопителя;
- — блок управления системой блокировки дверей.
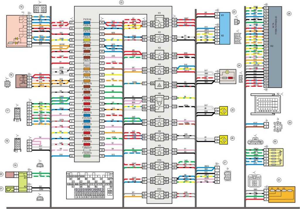
Назначение РЕЛЕ автомобиля «ГРАНТА»
К1 — реле электровентилятора системы охлаждения двигателя;
К2 — реле включения блокировки дверей;
К3 — дополнительное реле стартера;
К4 — дополнительное реле;
К5 — реле-прерыватель указателей поворота и аварийной сигнализации;
К6 — реле стеклоочистителя;
К7 — реле включения дальнего света фар;
К8 — реле звукового сигнала;
К9 — реле включения ближнего света фар;
К10 — реле включения обогрева заднего стекла;
К11 — главное реле;
К12 — реле топливного насоса.
LADA GRANTA 2190

- — датчик контрольной лампы давления масла;
- — генератор;
- — дроссельный патрубок с электроприводом;
- — датчик температуры охлаждающей жидкости;
- — колодка жгута проводов системы зажигания к колодке жгута панели приборов;
- — электромагнитный клапан продувки адсорбера;
- — датчик скорости;
- — датчик массового расхода воздуха;
- — датчик положения коленчатого вала;
- — датчик концентрации кислорода;
- — контроллер;
- — датчик концентрации кислорода диагностический;
- — катушка зажигания;
- — свечи зажигания;
- — форсунки;
- — колодки жгута проводов системы зажигания и жгута проводов форсунок;
- — датчик детонации.
Схема электрических соединений жгута проводов заднего LADA GRANTA 2190

- — колодка жгута проводов заднего к колодке жгута проводов панели приборов;
- — колодка жгута проводов заднего к колодке жгута проводов панели приборов;
- — боковой указатель поворотов правый;
- — боковой указатель поворотов левый;
- — датчик ручного тормоза;
- — элемент обогрева заднего стекла;
- — плафон освещения салона;
- — выключатель в ремне безопасности водителя;
- — фонарь освещения багажника;
- — модуль электробензонасоса;
- — фонарь правый;
- — электродвигатель блокировки багажника;
- — выключатель плафона освещения салона;
- — дополнительный сигнал торможения;
- — фонарь левый;
- — колодка жгута проводов заднего к колодке жгута проводов задней левой двери;
- — колодка жгута проводов заднего к колодке жгута проводов задней правой двери;
- — колодка жгута проводов заднего к колодке жгута проводов передней правой двери;
- — колодка жгута проводов заднего к колодке жгута проводов передней левой двери;
- — блок управления надувных подушек безопасности;
- — колодка жгута проводов заднего к колодке жгута проводов фонарей освещения номерного знака.
Фотоотчёт по подключению автосигнализации на Lada Granta комплектации Люкс
На замке зажигания:+12 – розовыйстартер – красныйзажигание – синий/чёрный
Подключаемся к центральному замку в двери водителя согласно нижеприведённому рисунку.
Подключаемся к тахометру на малом разъёме электроусилителе руля – коричневый/красный провод.
В левом пороге подключаемся к концевикам дверей и багажника, поворотам, ручнику.
Подключаемся к концевику капота в жгуте, идущем под капот за монтажным блоком – белый/чёрный провод.
Для блокировки можно использовать провод бензонасоса – серый провод на тыльной стороне монтажного блока.
Для дистанционного отпирания багажника подаём минус на красный/белый провод на разъёме отпирания багажника.
Распиновка приборов Гранта – схема приборной панели
Указанная часть является самой сложной. Большое количество выводов и миниатюрный размер клемм значительно усложняет поиск необходимой группы:
-
- 1/2 – соединительные колодки на передний жгут электрооборудования;
- 3/4 – аналогично для кормового жгута;
- 5 – блок управления световыми приборами;
- 6 – модуль выключателя зажигания;
- 7 – бортовой компьютер;
- 8 – рычаг переключения положения дворников;
- 9 – приборка;
- 10 – управление режимами аварийки;
- 11 – замок крышки грузового отсека;
- 12 – диагностический разъем;
- 13 – колодка на привод воздухозаборников;
- 14 – кнопка выключения подогрева заднего ветрового стекла;
- 15 – контакт аварийки;
- 16 – переключатель стоп сигналов;
- 17/18 – контактная группа – вывод на радиооборудование (магнитола);
- 19 – вращающийся модуль оборудования;
- 20/41 – привод водительской/пассажирской подушки безопасности;
- 21 – питание клаксона;
- 22 – группа монтажного блока;
- 24 – группа прикуривателя;
- 25 – подсветка контроля печки;
- 26 – салонный плафон;
- 27 – контактная группа замка зажигания;
- 28 – контроллер;
- 29 – входящий разъем на заднюю часть бортовой сети;
- 30 – электронная часть педали газа;
- 31 – добавочный резистор;
- 32 – мотор печки;
- 33 – блок переключателей печки;
- 34 – модуль блокировки дверей;
- 35/36 – реле головного вентилятора системы охлаждения;
- 37 – проводка реле компрессора;
- 38 – дополнительное реле или катушка индикации заднего хода;
- 39 – клавиша включения кондиционера;
- 40 – привод автоматической коробки передач;
- 42 – термометр испарителя;
- 43 – вывод на задний жгут проводов.
![]()
![]()
![]()
Фотоотчёт по установке автосигнализации на Lada Granta 2011
Моя первая установка на Лада Гранта. Устанавливал SCHER-KHAN LOGICAR 2.
Фото 1. Показан монтажный блок, который очень трудно снять, так как, что бы открутить саморез мешает усилитель руля. Но для установки это не нужно будет делать.
Фото 2. Реле ЦЗ. И оно нам не нужно для установки.
Фото 3. Замок зажигания, традиционно ВАЗовский.
Фото 4. Левый порог, в котором берем: повороты – синий и синий/черный; ручник – коричневый/синий; бензонасос – серый (их там два, не путайте); дверь водителя – коричневый/зеленый (и вот засада, пассажирских концевиков нет и, мало того, вскрыв все пороги, я не обнаружил даже проводку для них).
Фото 5. Щиток приборов, в котором можно взять ручник – коричневый/синий, и водительскую дверь, которая здесь уже красный/зелёный. За щитком можно расположить блок сигнализации, места предостаточно.
Фото 6. Показан ЭБУ двигателя, он находится за перчаточным ящиком, с которого (правый разъём) можно взять сигнал генератора – коричневый/синий.
Фото 7. Подцепляемся к концевику багажника – белый/черный. В разрыв ставим диод.
Фото 8. Устанавливаем в моторном отсеке в штатное место концевик «еврик».
Фото 9. В водительскую дверь необходимо установить привод. Гофра из стойки в дверь стоит от Калины, нужно рассоединить разъем и в обеих половинках, в центре просверлить отверстие сверлом на 6мм и протащить провода для привода.
Реле и предохранители Lada Granta
Блок предохранителей и реле в салоне







| № | А | Защищаемые цепи |
| F1 | 15 | Катушки зажигания Форсунки Контроллер системы управления двигателем |
| F2 | 25 | Норма, Люкс: Центральный блок кузовной электроники Модуль двери водителя |
| F2 | 5 | Стандарт: Дневные ходовые огни |
| F2 | 30 | Стеклоподъемники |
| F3 | 15 | Норма, Люкс: Контроллер управления автоматической коробкой переключения передач Привод управления автоматической коробкой переключения передач |
| F3 | 10 | Стандарт: Аварийная сигнализация |
| F4 | 15 | Контроллер системы надувных подушек безопасности |
| F5 | 7.5 | Клемма 15 приборов |
| F6 | 7.5 | Свет заднего хода ВАЗ-2190 Указатели поворота (Стандарт) Контроллер управления автоматической коробкой переключения передач (Норма, Люкс) Блок управления системой безопасной парковки (Норма, Люкс) |
| F7 | 7.5 | Клапан продувки адсорбера Датчик массового расхода воздуха/ датчик давления Датчик фаз Датчики концентрации кислорода |
| F8 | 25 | Обогреватель заднего стекла Обогреватели наружных зеркал (Норма, Люкс) |
| F9 | 5 | Габаритные огни правого борта |
| F10 | 5 | Габаритные огни левого борта Подсветка приборов и клавиш Фонари освещения номерного знака Плафон освещения багажника Плафон освещения вещевого ящика |
| F11 | 5 | Задние противотуманные огни |
| F12 | 7.5 10 | Ближний свет, правая фара Электрокорректор правой фары |
| F13 | 7.5 10 | Ближний свет, левая фара Электрокорректор левой фары |
| F14 | 10 | Дальний свет, правая фара |
| F15 | 10 | Дальний свет, левая фара |
| F16 | 10 | Правая противотуманная фара |
| F17 | 10 | Левая противотуманная фара |
| F18 | 20 | Обогреватели передних сидений Прикуриватель |
| F18 | 10 15 | Прикуриватель |
| F18 | 15 | Обогреватели передних сидений |
| F19 | 5 | Норма, Люкс: Блок управления антиблокировочной системой тормозов |
| F19 | 20 | Стандарт: Моторедукторы блокировки замков дверей |
| F19 | 15 | ABS Lada Granta |
| F20 | 15 | Звуковой сигнал |
| F20 | 15 | Звуковой сигнал Замок багажника Коробка передач Прикуриватель Диагностический разъем |
| F21 | 15 | Топливный насос |
| F22 | 25 | Омыватель ветрового стекла Центральный блок кузовной электроники Омыватель заднего стекла Очиститель заднего стекла |
| F22 | 15 | Центральный замок |
| F23 | 5 | Комбинация приборов Диагностический разъем |
| F23 | 10 | Дневные ходовые огни |
| F24 | 7.5 | Норма, Люкс: Муфта компрессора кондиционера Контроллер системы автоматического управления климатической установкой |
| F25 | 7.5 | Сигналы торможения Плафон освещения салона (Стандарт) |
| F26 | 10 | Норма, Люкс: Центральный блок кузовной электроники |
| F26 | 25 | АБС/ESC |
| F27 F31 | 25 | Блок управления антиблокировочной системой тормозов |
| F28 F32 | 30 | Электровентилятор отопителя Контроллер системы автоматического управления климатической установкой Электроусилитель рулевого управления 3) |
| Реле | ||
| К1 | Реле электровентилятора охлаждения радиатора | |
| К2 | Стеклоподъемник (в исполнении «норма») Реле минимального обдува модуля охлаждения (в исполнении «люкс») | |
| К3 | Реле стартера | |
| К4 | Разгрузочное реле выключателя зажигания | |
| К5 | Реле указателей поворота и аварийной сигнализации | |
| К6 | Реле стеклоочистителя (в исполнении «норма») Реле обогрева сидений (в исполнении «люкс») | |
| К7 | Реле дальнего света фар | |
| К8 | Реле звукового сигнала | |
| К9 | Реле ближнего света фар | |
| К10 | Реле обогрева заднего стекла | |
| К11 | Реле ЭСУД ВАЗ-2190 | |
| К12 | Реле топливного насоса | |
| К13 | Реле аварийной сигнализации дополнительное | |
| К14 | Реле аварийной сигнализации дополнительное | |
| К15 | – | |
| К16 | – | |
| К17 | – |
Монтажный блок нового образца

Блок предохранителей в моторном отсеке под капотом

| № | А | Защищаемые цепи |
| 1 | 50 | Обогреватель ветрового стекла |
| 1 | 30 | Ближний свет |
| 2 | 60 | Генератор |
| 3 | 60 | Генератор |
| 4 | 30* 40 | Электровентилятор охлаждения радиатора |
| 5 | 50 | Электромеханический усилитель рулевого управления |
| 6 | 40 | Блок управления антиблокировочной системой тормозов |
Обратите внимание, что бывают разные варианты этого блока. Вариант подключения 1
Вариант подключения 1
- 30А Ближний свет фар или главное реле, цепи защищаемые предохранителями F1 и F21 монтажного блока в салоне 50А Обогреватель ветрового стекла
- 60А Генератор ВАЗ-2190
- 60А Генератор
- 30/40А Вентилятор отопителя (предохранитель печки гранты)
- 50А Электромеханический усилитель рулевого управления
- 60А Блок АБС
Вариант подключения 2
- 60А Генератор
- 60А Генератор
- 30/40А Электровентилятор охлаждения радиатора
- 40А АБС / ESP
- 25A ABS / ESP
- 50A Контроллер электро усилителя рулевого управления
Вариант подключения 3
- 30А Ближний свет фар или главное реле, цепи защищаемые предохранителями F1 и F21 монтажного блока в салоне
- 60А Генератор
- 60А Генератор Lada Granta
- 30А Вентилятор отопителя (предохранитель печки гранты)
- 50А Электроусилитель рулевого управления
Лада Гранта: схема подключения приборов заднего жгута проводки
Задняя часть проводки автомобиля отвечает за оборудование кормы и боков автомобиля. все дополнительное оборудование подключается исключительно через эту часть магистралей:
- 1/2 – контактная группа на приборную панель;
- 3/4 – указатели поворотов;
- 5 – индикатор включения ручника;
- 6 – контакт подогрева заднего стекла;
- 7 – салонная лампа;
- 8 – индикатор положения водительского ремня безопасности;
- 9 – плафон подсветки грузового отсека;
- 10 – привод бензонасоса;
- 11/15 – кормовая часть габаритов для левой и правой стороны;
- 12 – привод блокировки крышки багажника;
- 13 – кнопка включения салонного фонаря;
- 14 – цепь дополнительного стопа;
- 16-19 – клеммные колодки дверей для задней левой, задней правой, передней левой и передней правой дверей;
- 20 – привод управления подушками безопасности;
- 21 – контактная группа осветителей номерного знака;
- 22 – на приборную доску;
- 23/24 – задние датчики указателей скорости;
- 25/26 – преднатяжители ремней безопасности;
- 27 – группа контактов приборной панели.
![]()
Об условных обозначениях
Напомним, что практичная модель Лада Гранта «пошла» в серию еще в 2011 г. Данный современный автомобиль насыщен новыми модификациями сложных приборов и электронных устройств. Все это имеет целью доставить водителю максимум комфорта при езде. Сегодня «ВАЗ» выпускает Лада Гранта в трех версиях в плане комплектации:
- «Норма»;
- «Стандарт»;
- «Люксовая».
У первых двух вариантов одинаковая схема электропроводки, а в «Люксе» она другая. Обидно, что в заводской инструкции по эксплуатированию авто отсутствует данная схема электропроводки. Однако не спешите расстраиваться, ведь такой альбом со всем перечнем схем можно приобрести в рыночной сети авто-товаров.
Разводка электрических кабелей подразумевает присутствие большого числа жгутов. Схема электропроводки располагает условными обозначениями и порядковыми номерами, каждый из которых присвоен строго конкретному токоприемнику. Эти потребители на схеме коммутируются в общую сеть посредством условных линий. Чтобы повысить наглядность, разработчики применили для линий разные цвета. Далее провода собираются в жгуты, которые соединяются с электрическими блоками посредством специальных разъемов.
Первая цифра в маркировке провода обозначает штекер, разъем или же клемму, к которой подводится данный кабель. Цифра, присутствующая за знаком дроби, свидетельствует о своем соответствии номеру контакта токоприемника.
С принципом работы конкретно взятого электронного блока читатель может ознакомиться в самостоятельном режиме. Если неисправности незначительные, то они не создают затруднений в процессе ремонта или замены. Но ситуация меняется, когда из строя выбыл сложный узел, что подразумевает необходимость обращаться к электрикам. Для понимания ситуации с неисправностью конкретного токоприемника от владельца LADA Granta не требуется помнить все детали и мелочи компоновочного чертежа, а достаточно будет знать место размещения устройства и особенность подводящей к нему проводки.
Также полезной будет информация о приемах, позволяющих оперативно заменить пришедший в негодность предохранитель или реле. В монтажном блоке Лада Гранта предусмотрены резервные предохранители и реле такого же характера. Предохранительные элементы необходимы для защиты цепей от токовых перегрузок, которые приводят не только к выходу из строя прибора, но и защищают цепь от короткого замыкания, грозящего риском последующего возгорания. В такой ситуации происходит нагревание плавкой вставки, после чего ее элемент перегорает, тем самым отключая подачу питания к токоприемнику. Замену предохранителей разрешается осуществлять только на аналоги, настроенные на такую же максимальную силу тока. Пренебрежение этим важным правилом также способно спровоцировать поломки и возгорания.
Устройство световой сигнализации и внешних фар
Автомобиль Лада Гранта лифтбек оснащен различными световыми устройствами, которые обеспечивают безопасность движения и удобство водителя и других участников дорожного движения. Внешняя световая сигнализация состоит из фар, противотуманных фар, задних фонарей и сигнальных огней.
Фары являются основным источником света автомобиля и служат для освещения дороги во время ночного или плохой видимости. Обычно они разделяются на два типа: ближний свет и дальний свет. Ближний свет позволяет освещать дорогу впереди автомобиля на небольшое расстояние, а дальний свет позволяет видеть вдали на большую дистанцию. Фары могут быть обычными галогенными или более современными ксеноновыми или светодиодными.
Противотуманные фары предназначены для использования в условиях сильного тумана, дождя или снега. Они освещают дорогу перед автомобилем и дают возможность видеть объекты на дороге на более коротком расстоянии, что помогает снизить риск аварийных ситуаций.
Задние фонари служат как источник света при торможении или включении заднего хода. Они поддерживают видимость задней части автомобиля для всех участников дорожного движения.
Сигнальные огни предназначены для указания направления поворота или смены полосы движения. Они включаются водителем при перестроении или повороте, чтобы предупредить других участников дорожного движения о своих намерениях.
Сводная таблица осветительных устройств Лада Гранта лифтбек:
Тип светового устройства
Назначение
Фары
Освещение дороги впереди автомобиля
Противотуманные фары
Освещение дороги в плохих погодных условиях
Задние фонари
Освещение задней части автомобиля
Сигнальные огни
Указание направления поворота или смены полосы движения
Световая сигнализация и внешние фары являются важными элементами автомобиля Лада Гранта лифтбек, обеспечивающими безопасность и удобство водителя и других участников дорожного движения в различных ситуациях на дороге.
Схема заднего отдела электрооборудования Лады Гранты
Электросхема задней части существенно сложнее передней. В ее комплектацию входят:
- Пазы к разъемам 3 и 4 панели приборов.
- Поворотники автомобиля.
- Датчик «ручника».
- Прибор, функцией которого является обогрев задних стекол.
- Освещение салона автомобиля.
- Освещение багажника.
- Задние фары машины.
- Стоп-сигнал.
- Фиксатор дверей.
- Узел, который управляет подушками безопасности.
Таковы составляющие электросхемы автомобиля Лада Гранта. Если хорошо вникнуть и есть навыки по ремонту автомобиля, то можно провести некоторые операции самостоятельно. Но нужно помнить, что скупой платит дважды, а такая экономия на обслуживании авто профессионалами может привести к еще большей и дорогостоящей поломке машины.




























