Схемы отдельных блоков ВАЗ-2180
Схема соединений переднего жгута проводов

1 – блок-фара правая; 2 – противотуманная фара (ПТФ) правая; 3 – звуковой сигнал; 4 – электровентилятор системы охлаждения двигателя; 5 – звуковой сигнал тревожной сигнализации; 6 – датчик давления системы кондиционирования; 7 – блок управления электровентилятором системы охлаждения; 8 – противотуманная фара (ПТФ) левая; 9 – блок-фара левая; 10 – соединение проводов; 11 – датчик температуры наружного воздуха; 12 – соединительная колодка; 13 – датчик скорости правого переднего колеса; 14 – электронный блок управления двигателем; 15 – блок управления АБС; 16 – клапан продувки адсорбера; 17 – выключатель охранной сигнализации; 18 – датчик скорости левого переднего колеса; 19 – мотор-редуктор переднего стеклоочистителя; 20 – насос стеклоомывателя; 21, 25 и 27 – соединительная колодка для подключения к жгуту проводов панели приборов; 22 – датчик уровня тормозной жидкости; 23 – соединительная колодка для подключения к жгуту ЭСУД; 24 – блок предохранителей и реле в моторном отсеке; 26 – элемент обогрева ветрового стекла.
Схема соединения заднего дополнительного жгута проводов

1 – наружная секция заднего левого фонаря; 2 – внутренняя секция заднего левого фонаря; 3 – внутренняя секция заднего правого фонаря; 4 – наружная секция заднего правого фонаря; 5 – соединения проводов; 6 – замок багажника; 7 – плафон освещения номерного знака; 8 – обогрев заднего стекла; 9 – плафон освещения багажника; 10 – дополнительный стоп-сигнал; 11 – камера заднего вида; 12 – блок управления парктроником; 13 – колодка для подключения к жгуту заднего бампера; 14 и 15 – колодка для подключения к заднему жгуту.
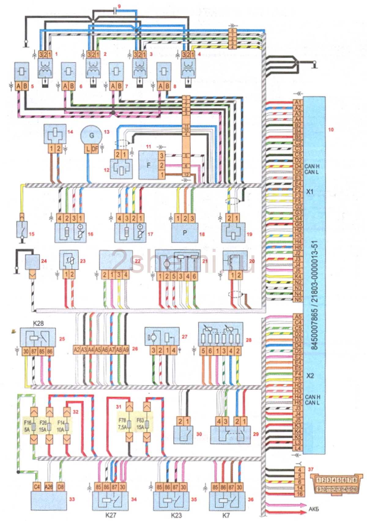
Схема системы управления двигателем

1 – катушка зажигания первого цилиндра; 2 – катушка зажигания второго цилиндра; 3 – катушка зажигания третьего цилиндра; 4 – катушка зажигания четвертого цилиндра; 5 – форсунка первого цилиндра; 6 – форсунка второго цилиндра; 7 – форсунка третьего цилиндра; 8 – форсунка четвертого цилиндра; 9 – конденсатор; 10 – электронный блок управления двигателем; 11 – датчик положения распределительного вала; 12 – датчик детонации (ДД); 13 – генератор; 14 – электромагнитный клапан системы впуска воздуха; 15 – датчик аварийного давления масла; 16 – датчик концентрации кислорода (ДК диагностический); 17 – датчик концентрации кислорода (ДК управляющий); 18 – датчик давления компрессора кондиционера; 19 – клапан продувки адсорбера; 20 – датчик положения коленчатого вала (ДПКВ); 21 – дроссельный узел (ДУ); 22 – датчик массового расхода воздуха (ДМРВ); 23 – датчик температуры охлаждающей жидкости (ДТОЖ); 24 – муфта компрессора кондиционера; 25 – реле муфты компрессора кондиционера (К28); 26 – соединительная колодка; 27 – топливный модуль (бензонасос); 28 – электронная педаль газа; 29 – датчик положения педали тормоза; 30 – датчик положения педали сцепления; 31 – блок предохранителей и реле в моторном отсеке; 32 – монтажный блок в салоне; 33 – блок управления электрооборудованием; 34 – главное реле системы управления двигателем (К27); 35 – реле стартера (К23); 36 – реле топливного насоса (К7); 37 – колодка диагностического разъема.
Схема соединений жгута проводов передней левой двери

1 – замок двери; 2 – плафон подсветки порога; 3 – мотор-редуктор стеклоподъемника; 4 – блок управления стеклоподъемниками, приводом зеркал и центральным замком; 5 – соединения проводов; 6 – динамик Lada Vesta; 7 – высокочастотный динамик (твитер); 8 – боковое зеркало; 9 – колодка для подключения к колодке заднего жгута проводов.
Схема соединений жгута проводов передней правой двери

1 – замок двери; 2 – плафон подсветки порога; 3 – мотор-редуктор стеклоподъемника; 4 – колодка для подключения к колодке заднего жгута проводов; 5 – высокочастотный динамик (твитер); 6 – динамик; 7 – боковое зеркало; 8 – кнопка стеклоподъемника.
Схема соединений жгута проводов задней двери

1 – колодка для подключения к колодке заднего жгута проводов; 2 – мотор-редуктор стеклоподъемника; 3 – соединение проводов; 4 – кнопка стеклоподъемника; 5 – замок двери; 6 – динамик.
Схема электровентилятора системы охлаждения двигателя

1 – электровентилятор; 2 – блок предохранителей и реле в моторном отсеке; 3 – электронный блок управления двигателем; 4 – блок управления электровентилятором.
Схема заряда аккумуляторной батареи

1 – аккумулятор; 2 – монтажный блок в монтажном отсеке; 3 – генератор; 4 – электронный блок управления двигателем.
Схема системы запуска двигателя

1 – аккумулятор; 2 – монтажный блок в моторном отсеке; 3 – замок зажигания; 4 – блок предохранителей в салоне; 5 – стартер; 6 – реле стартера (К23); 7 – блок управления электрооборудованием.
Схема подключения магнитолы Лада Веста
Правильное подключение магнитолы в автомобиле Лада Веста очень важно, чтобы гарантировать правильную работу звуковой системы. Вот схема подключения:. 1
Подключение к питанию:
1. Подключение к питанию:
У магнитолы есть два провода, отвечающих за подключение к питанию – красный и желтый. Красный провод должен быть подключен к плюсовому полю аккумулятора, а желтый – к плюсу питания, который включается и выключается при зажигании. Это гарантирует, что магнитола будет автоматически включаться и выключаться с автомобилем.
2. Подключение к динамикам автомобиля:
Для подключения магнитолы к динамикам автомобиля есть провода разных цветов, обычно от 8 до 12 проводов, каждый собственной цветовой маркировкой. Схема подключения может различаться в зависимости от производителя и модели магнитолы, поэтому рекомендуется обратиться к инструкции по эксплуатации вашей магнитолы, чтобы узнать правильную схему подключения к динамикам.
3. Подключение к антенне:
Чтобы получить радиосигналы, магнитола должна быть подключена к антенне автомобиля. Для этого используется провод с коннектором, который подключается к соответствующему разъему на магнитоле. Провод антенны в свою очередь подключается к антенному разъему в автомобиле. Если ваша магнитола имеет возможность приема сигнала GPS, то также будет предусмотрен соответствующий разъем для подключения GPS-антенны.
Прежде чем начать подключение магнитолы, убедитесь, что все провода правильно уложены и подключены. Также не забудьте проверить правильность работы звуковой системы перед тем, как закрыть панель магнитолы.
Схема подключения проводов
Подключение проводов производится к штатной проводке кабелей самого автотранспортного средства.
После демонтажа главной панели откроется 4 разъема: шина для акустики из пары штекеров — это ISO разъем; порт FAKRA, который дает сигнал для антенны; USB-разъем, предназначенный для подсоединения внешних носителей; порт AUX, который предназначен для передачи внешних импульсов и управления плеером со смартфона.
Если аппаратура с тыльной стороны оборудована разъемом под USB, порт подсоединяется со специальным удлинительным кабелем. Можно приобрести и применить также модуль, в котором совмещены USB и AUX.
Каждый кабель необходимо подсоединить к соответствующему проводу магнитолы с помощью переходников. Этот процесс не займет много времени.
Динамики также подсоединяют к штатным кабелям, используя переходники, и монтируют их в соответствующие ниши с уже подключенными проводами.
Схема проводки Лада Веста
Общая схема проводки слишком громоздкая и сложна для восприятия, поэтому используются схемы, изображающие отдельные соединения.
Обратите внимание, что в каждой схеме имеются таблицы исполнения, где указано обозначение рассматриваемого жгута в зависимости от комплектации авто. Приведённая электросхема Лада Веста чёрно-белая, и цвета проводов обозначены буквами
Расшифровка есть в этой таблице:
Приведённая электросхема Лада Веста чёрно-белая, и цвета проводов обозначены буквами. Расшифровка есть в этой таблице:
Цвета проводов
Передний жгут проводов
Жгут передний
Показывает расположение следующих элементов:
- фары;
- звуковые сигналы;
- вентилятор системы охлаждения;
- датчики (частота вращения колёс, температура воздуха, положение капота и пр.);
- блоки управления двигателем и ABS;
- клапан продувки адсорбера;
- выключатель сигнализации;
- привод стеклоочистителя;
- элемент обогрева ветрового стекла;
Задний жгут проводов
Жгут задний
Отображает расположение таких устройств, как:
- дополнительные блоки электроники кузова;
- датчики (дождя, воздух в салоне, скорость колёс);
- блок управления освещением в салоне;
- топливный бак.
АКБ корпус
Простая схема вывода минусовой клеммы на «массу» автомобиля Лада Веста.
Масса ДВС
Тоже всё просто и понятно.
Передние двери
Описано соединение следующих элементов Лада Веста:
- замки;
- плафоны;
- стеклоподъемники и их переключатели;
- динамики;
- приводы зеркал.
В левой двери Весты присутствуют ещё и блоки переключателей.
Дверь задняя
Здесь всё проще: замок, динамики и переключатель стеклоподъёмника.
Система зажигания
Система зажигания
Этот жгут соединяет все устройства, связанные с работой зажигания на Лада Веста:
- датчики;
- контроллер управления двигателем;
- АКБ;
- генератор;
- предохранители;
- клапан управления механизмом газораспределения;
- выключатель света заднего хода.
Соединение АКБ и стартера
АКБ стартер
Изображена система пуска двигателя и электропитания. Схема включает АКБ, стартер, генератор и предохранители.
Панель приборов
Панель приборов
Приборная панель Весты, как самое «начинённое» место, имеет соответствующую электросхему. Сюда входят:
- датчики (угол поворота руля, положение педали сцепления);
- разнообразные реле (розетка, бензонасос, вентилятор отопителя, наружное освещение, стеклоподъёмники);
- различные выключатели и переключатели;
- диагностический разъём;
- клавиши на руле;
- прикуриватель;
- подушки безопасности;
- блоки управления.
И ещё ряд других электронных мелочей, которые можно перечислять бесконечно.
Дополнительный задний жгут проводов
Дополнительный задний жгут проводов
Эта схема электропроводки Lada Vesta содержит следующее:
- блок управления парктроником;
- привод замка крышки багажника;
- освещение номеров;
- освещение багажника;
- фонари на кузове и крышке багажника;
- обогрев заднего стекла.
Задний бампер
А эта схема поможет разобраться в подключении ПТФ и датчиков парктроника.
АКБ с массой
В данном случае провод идёт на массу с обогрева стекла.
Дополнительный правый задний жгут проводов
Дополнительный правый задний жгут проводов
Этот жгут соединяет следующее устройства:
- датчики (боковые удары, ремни безопасности, присутствие пассажира);
- управление подушками безопасности;
- выключатель ATM и МКП;
- селектор роботизированной коробки передач.
Роботизированная коробка передач
Дополнительный жгут
Изображено соединение управляющих элементов «робота»:
- актуаторы механизма включения сцепления, выбора и переключения передач;
- датчик частоты вращения первичного вала.
Замена штатной магнитолы
Многим автолюбителям «заводская» ММС не «по душе» в силу различных причин. Приобрести и установить новую не составит труда, главное выбрать марку, производителя гаджета.


В продаже представлено множество брендов, в том числе, китайских. Выбор от самого дешевого до самого дорого, в зависимости от величины бюджета собственника авто:
О том, как установить магнитолу ММС на Lada Vesta уже имеется статья на сайте, вкратце это выглядит так:
- Демонтировать пластиковую рамку.
- Выкрутить четыре винта.
- Снять штатную ММС.
- Подключить колодки с проводами.
- Зафиксировать новую магнитолу (тип 2-DIMM).
Как правильно снимать обшивку?
Это необходимо для монтажа динамиков
Здесь от владельца Лада Веста потребуется максимум осторожности и внимания, чтобы исключить риск царапанья пластиковых панелей. Пользование отверткой крайне нежелательно. Лучше вооружиться пластиковой картой
Лучше вооружиться пластиковой картой.
Чтобы извлечь заглушку, расположенную на торцевой части двери потребуется с помощью карточки поддеть ее через специальные выемки. По такому же принципу демонтируем кнопки электрических подъемников стекол. Крепежные компоненты в виде усиков располагаются на переднем, заднем и боковом участках МУС.
Крепеж обшивки представлен не только винтами, но и 4-мя «ежами». Риск их поломать достаточно высокий, если владелец не воспользуется специализированным инструментом при демонтаже. Данные «ежики» позаимствованы у автомобилей от «Рено-Ниссан». Можно взамен их использовать элементы от Гранты, однако потребуется предварительная доработка незначительных масштабов. Такие «ежи» крепче и цена на них в разы меньше.
Согласно указанным манипуляциям выполняется демонтаж обивки с водительской стороны. Снятие обшивки с правой дверной панели наделено собственными особенностями. Здесь нет потребности в снятии кнопки подъемников стекол. Также не нужно разыскивать заглушку самореза.
Достаточной мерой будет снятие крышки ручки. Для этого поддеваем нижнюю заглушку, возле которой располагается удобный паз. Действуем той же пластиковой картой. Теперь откручиваем пару винтов (10 мм), после чего извлекаем обивку.
Монтаж динамиков
Во всех конфигурациях Лада Веста присутствует аудиоподготовка, что упрощает задачу по установке оборудования, т.к. нет необходимости протягивать нужные кабели и провода. Необходимый минимум присутствует во всех конфигурациях Веста, что позволяет без усилий устанавливать своими руками как головное устройство, так и динамические головки.
Монтаж динамиков не требует дополнительных инструментов, поэтому работу можно проводить без специальной подготовки.
Перед установкой динамиков необходимо аккуратно извлечь материал изоляции в тех местах, где будет находиться акустика.
Также для уплотнения креплений понадобятся прокладки из войлочного или подобного материала, которые можно вырезать собственноручно.
Область для установки оборудована лишь тремя креплениями, поэтому для фиксации на 4 крепежа понадобится установка специальных подставок. Данные подставки можно изготовить самостоятельно или заранее приобрести в магазине автомобильной экипировки.
После откручивают саморезы в нижней части обшивки, отгибают накладки и просовывают проставки в это пространство. Дополнительно закреплять их не нужно, они будут плотно сидеть в подготовленной нише.
Участок установки необходимо звукоизолировать. Есть возможность повысить качество звука при воспроизведении аудио.
Провода для аудиосистемы уже находятся в салоне, но разъемы у них могут оказаться нестандартными. Поэтому лучше заранее приобрести переходники, чтобы не отрезать штатные разъемы, т.к. это может отразиться на гарантийном обслуживании автомобиля.
Эта последовательность простых действий позволит установить динамики с хорошим звучанием быстро и без затрат на монтаж посторонними специалистами
Действовать нужно осторожно, не спеша, чтобы не повредить обшивку и пластик в салоне
Основная схема электрооборудования Лада Веста
Электрооборудование Лада Веста состоит из множества компонентов, которые обеспечивают работу автомобиля и его электрическую безопасность. Основная схема электрооборудования включает в себя следующие элементы:
- Аккумуляторная батарея – источник электроэнергии для питания всех электрических систем автомобиля.
- Генератор – заряжает аккумуляторную батарею и поддерживает ее заряженность в течение всей эксплуатации автомобиля.
- Стартер – служит для запуска двигателя автомобиля.
- Предохранительная коробка – содержит предохранители, которые защищают электрические цепи от перегрузки и короткого замыкания.
- Реле – управляет работой различных систем автомобиля при необходимости.
- Выключатели – позволяют включать и выключать различные системы автомобиля.
- Панель приборов – отображает информацию о состоянии автомобиля, такую как скорость, обороты двигателя, уровень топлива и другие параметры.
- Датчики – измеряют и передают информацию о состоянии различных систем автомобиля, например, давление масла или температура охлаждающей жидкости.
- Осветительное оборудование – обеспечивает освещение салона и дороги во время движения.
- Система зажигания – отвечает за формирование и подачу высоковольтного импульса на свечи зажигания для зажигания топливовоздушной смеси в цилиндрах двигателя.
Это лишь некоторые из элементов основной схемы электрооборудования Лада Веста. Каждый из этих компонентов имеет свою функцию и важен для надлежащей работы автомобиля. Благодаря этой схеме и грамотному подключению электрооборудования Лада Веста обеспечивает своим владельцам комфорт и безопасность во время эксплуатации.
Электросхема Лада Веста

Lada Vesta, как и все современные автомобили, обладает большим количеством электроники и электрооборудования. Чтобы все это дело работало и правильно функционировало, автомобилю требуется электрическая проводка, которая подобно венам в теле человека буквально пронизывает весь кузов автомобиля. Если вытащить всю проводку Лада Веста и измерить ее длину, мы получим цифру в несколько сотен метров.
Необходимость изучения электрических цепей возникает чаще всего при поломке или входе из строя какого-либо элемента. В этом случае требуется правильно продиагностировать и установить причину поломки — «приговорить» к замене сам элемент или же проводку. Давайте рассмотрим небольшой пример. У автомобиля пропал холостой ход. На диагностике была выявлена ошибка по регулятору ХХ. Причин может быть несколько — либо сам регулятор вышел из строя, либо плохой контакт на фишках проводов, либо обрыв в проводке. Прежде, чем покупать регулятор, необходимо удостовериться, что дело не в обрыве электрической цепи. Мы можем сделать это с помощью тестера и прозвонить проводку. Но вот беда. Фишка проводов РХХ находится под капотом, а управление идет с ЭБУ в салоне. И как быть? В этом случае нам поможет схема электрооборудования Лада Веста. По схеме мы можем найти откуда идет контакт с ЭБУ до РХХ и без проблем прозвонить. Вот такая, казалось бы совсем простая ситуация, но без знания электросхемы Лада Веста ее не возможно было бы решить в короткие сроки.
В этой статье Вы найдете все схемы электрооборудования Лада Веста с подробным описанием. Итак, поехали.
Распиновка контактов магнитолы Лада Веста
Магнитола в автомобиле Лада Веста имеет свою собственную распиновку, которая позволяет правильно подключить устройство к электрическим проводам машины. Распиновка контактов магнитолы Лада Веста имеет следующую схему:
1. Контакт питания (+12V) — подключается к положительному полюсу аккумулятора автомобиля, обычно с помощью провода красного цвета.
2. Контакт заземления (GND) — соединяется с отрицательным полюсом аккумулятора с помощью провода черного цвета.
3. Контакт Переднего левого динамика (+) — данный контакт подключается к положительному выводу переднего левого динамика автомобиля. Обычно провод этого контакта имеет цвет желтый или фиолетовый.
4. Контакт Переднего левого динамика (-) — соединяется с отрицательным выводом переднего левого динамика. Часто провод этого контакта имеет цвет коричневый или коричнево-белый.
5. Контакт Переднего правого динамика (+) — этот контакт подключается к положительному выводу переднего правого динамика авто. Провод данного контакта может быть красным или зеленым.
6. Контакт Переднего правого динамика (-) — соединяется с отрицательным выводом переднего правого динамика. Проовд данного контакта может быть синим или зеленовато-коричневым.
7. Контакт Заднего левого динамика (+) — этот контакт подключается к положительному выводу заднего левого динамика машины. Провод обычно имеет оранжевый или бело-красный цвет.
8. Контакт Заднего левого динамика (-) — соединяется с отрицательным выводом заднего левого динамика. Провод может быть желтым или бело-коричневым.
9. Контакт Заднего правого динамика (+) — данный контакт подключается к положительному выводу заднего правого динамика. Провод может быть фиолетовым или желто-зеленым.
10. Контакт Заднего правого динамика (-) — соединяется с отрицательным выводом заднего правого динамика. Провод может быть коричневым или желто-коричневым.
Правильное подключение контактов магнитолы Лада Веста позволяет получить полноценный звуковой сигнал и наслаждаться музыкой во время поездок на автомобиле.
Схема подключения магнитолы к электрической сети
Для подключения магнитолы к электрической сети вам потребуется штепсельная вилка и соответствующий кабель. Проверьте, что ваша магнитола работает на том же напряжении, что и электрическая сеть в вашем доме.
Найдите на задней панели магнитолы разъем, предназначенный для подключения кабеля питания. Откройте крышку защитного заземления вилки и вставьте его в соответствующий разъем магнитолы.
Затяните винт крепления вилки, чтобы обеспечить надежное соединение. Убедитесь, что кабель питания не пережат и не поврежден.
Подключите другой конец кабеля питания в розетку электрической сети. Убедитесь, что соединение плотное и надежное. Перед включением магнитолы проверьте, что вилка и кабель в целостности, чтобы избежать возможных неприятностей.
Обратите внимание: перед выполнением любых работ, связанных с электричеством, рекомендуется отключить питание и проконсультироваться с квалифицированным специалистом, если вы не имеете достаточных навыков и знаний
Замена штатной магнитолы Лада Веста


А сейчас мы предлагаем Вам ознакомиться с тремя лучшими по соотношению цена и качесто магнитолами, которые можно без проблем установить на Лада Веста вместо штатной. Итак, поехали.

1. AD-UNI707 – это китайская магнитола, которую можно найти на АлиЭкспресс. Вот ссылка на товар. Ее преимуществом является работа на ОС Android 6.0, наличие 7-дюймового дисплея с разрешением 1024х600 пикселей, 1 ГБ памяти. Цена данного девайся составляет примерно 13 тысяч рублей. Плюс ко всему данная магнитола органично вписывается в дизайн салона. Как работает – смотрим на видео.

2. MEKEDE MKD – это еще одна китайская магнитола. Стоит она около 16 тысяч рублей, но рассчитана под автомобили Лада Веста, т.е. не надо будет мудрить с рамками. Можно сразу взять эту магнитолу и установить вместо штатной. Она полностью подойдет в посадочное место. Она также работает на ОС Андроид, имеет дисплей размером 8 дюймов и встроенную память 2 ГБ. Разрешение экрана также, как и у предыдущей – 1024х600. Как работает – смотрим на видео.
3. 7021G. И снова на связи Китай. Очередная магнитола с АлиЭкспресс. Кажется, что китайцы впереди планеты всей. Ищем нужную электронику и обязательно попадаем в Китай. Но вернемся к нашей магнитоле. 7021G – это самый бюджетный вариант, для тех, кто хочет получить стандартный набор функционала для таких устройств и дисплей, на котором будет что-то видно. Итак, 7 дюймов, 800х480, ОС Windows CE6. Как работает – смотрим на видео.
Элементы управления штатной магнитолой Лада Веста
В привычном для всех месте – в левом верхнем углу магнитолы располагается кнопка включении и отключения магнитолы.
Правее от нее находится микрофон для общения при включенной функции Hands free, а также кнопка Reset для сброса настроек девайса. Еще правее расположен монохромный дисплей, служащий для вывода различной информации – названия трека, радиостанции и ее частоты, время и т.д. В общем, тут все то, что мы привыкли видеть и ожидать от дисплея магнитолы.
Правее магнитолы находится слот для SD-карты и клавиша отображения часов DISP.
В нижнем ряду мы можем наблюдать кнопки:
MUTE – отключение звука Зеленая и красная трубки – принять и отклонить вызов, SCAN – многофункциональная клавиша.
Еще чуть ниже мы видим клавиши RADIO и AUDIO, которые выполняют функции переключения режимов воспроизведения – либо радио, либо аудио с носителя информации.
В самом центре магнитолы находится шайба для прокрутки различных функций, но чаще всего она используется для увеличения или уменьшения громкости.
Ниже находятся клавиши с цифрами от 1 до 6. Они используются для быстрого перехода к сохраненным радиостанциям. Кроме этого, в режиме аудио они могут быть использованы для других целей. Так, например клавиша 1 может листать папки на флеш-карте.
Сообщений 4
Тема: Установка сабвуфера или какой бас делаем в Весте?
Мужики привет, пока машина еще не вышла, но уже вовсю думаю об установке сабвуфера в багажник Лады Весты Может кто в ТАЗы уже ставил качественный бас? Присматриваюсь к ним, может кто что посоветует?
- Свежие записи
- Опасность дремоты за рулем
- ОСАГО. Полезная информация для новичков
- Для чего нужна компьютерная диагностика авто?
- Выбор аудиосистемы для автомобиля
- Транспортное средство с высокой проходимостью
- Правообладателям
- Политика конфиденциальности
Авто пробег 2023 Информация, опубликованная на сайте, носит исключительно ознакомительный характер
Основные функции и возможности штатной магнитолы
- Проигрывание музыкальных файлов, радио;
- возможность подключения сторонних аксессуаров для воспроизведения композиций через AUX, SD-карту, другие файловые накопители, USB;
- отображение текущего времени, даты на дисплее, как в активном, так и в неактивном состоянии;
- опция Hands Free позволяет разговаривать по телефону, не отвлекаясь от управления;
- возможность подключения сторонних гаджетов, функционального оборудования: камера заднего вида, планшет, навигационная система.

В бюджетных версиях ММС отсутствует дисплей, поэтому заинтересованные автолюбители дополнительно приобретают аксессуары для прослушивания музыки. ММС расположена по центру торпеды, гармонично вписана в общий дизайн.
Схемы распиновок магнитол различных моделей Lada

Распиновка штатной магнитолы Lada
Есть среди ладаводов такой особенный тип водителей, который постоянно улучшает и дорабатывает аудиосистему автомомбиля. Меняя, зачастую, по кругу, кучу головных устройств, приходя, в конце-концов, к тому, что ставит штатную магнитолу на место. Если вы относитесь к этому типу, или просто, по какой-либо другой причине снимали магнитолу из штатного места, а теперь хотите ее вернуть, то сегодняшний наш материал — для вас! Распиновка штатной магнитолы Лада не скрывает в себе ничего особенно сложного, с ней под силу справиться любому, у кого руки растут. Ну, хотя бы, откуда-нибудь. Для начала, нам придется разобраться с проводавми, а именно — с их цветом. Какой провод будет отвечать за какой-то компонент аудиосистемы автомобиля, и желательно бы их не спутать. Хотя и в этом случае не будет ничего страшного и искать не возбраняется и методом тыка. Но нам с вами блуждать не к чему, разберемся с цветовой маркировкой проводов Лада сразу же. Итак, приступим.
Рассмотрим цветовую схему проводов автомобилей семейства Лада следующих моделей: Веста, Приора, Граната, Икс-рей, Ларгус, Калина, Нива 4×4, Шевроле Нива
Схемы распиновок магнитол различных моделей Lada:

Цветовая схема, применяемая на новых автомобилях Лада
Стоит сказать, что подключить любую стороннюю магнитолу в автомобиль Лада — не стоставит труда, так как штатные разъемы у этих автомобилей выполнены по евростандартам ISO — штекеров.
Теперь же рассмотрим схемы распиновок разных моделей:







Распиновка Lada X-ray Media NAV





Распиновка Lada Largus (по аналогии со схемой х-рей)


+ Распиновка магнитолы Lada CD-5151RMP

Из вышеприведенных схем понятно, что подключить магнитолу в автомобиль семейства Лада — проще простого! Эти автомобили не только обладают большим потенциалом тюнинга аудиосистем, легко шумоизолируются, но и имеют легкий доступ к проводке, стандартный разъем ISO, позволяющий с легкостью подключить практически любое ГУ (головное устройство, магнитолу). Надеюсь, разобраться в представленных выше схемах вам не составит труда. Желаю удачи в деле распиновки магнитол ваших Лада! Штатных и не штатных. Да прибудет с вами сила! Встретимся на страницах сайта inmu3.ru!
Неисправности ММС и методы их устранения
Очевидно, что штатная магнитола — это одна из первых разработок концерна АвтоВАЗ, дефекты и недоработки присутствуют. Например, дисплей не загружает логотип «LADA»:
- Извлекаем носитель цифровой информации с разъема.
- Отключаем силовую клемму с аккумуляторной батареи на 10 секунд.
- На ноутбуке форматируем SD карту в формат FAT 32, создаем в корневом каталоге пустой файл «explorer.txt».
- Надеваем клеммы АКБ, перезапускаем аудиосистему.
Если данный способ не помог, то очевидны проблемы с программным кодом электронного блока управления. Нужно перепрошить цифровой гаджет.
Вторая, не менее распространенная неисправность — «не находит спутники».
Решение проблемы достаточно простое:
- Снимаем силовые клеммы с АКБ.
- Сбрасываем устройство до заводских настроек.
Чтобы сбросить до заводских настроек, необходимо в течение 15 секунд удерживать кнопку «Power».
Переходник синего цвета для вывода на экран ММС сведений бортового компьютерана Веста OBD-2 – CAN
Уважаемые покупатели, во избежание ошибок при отправке переходника mini ISO 8 pin синего цвета с CAN-шиной на штатную мультимедийную систему (ММС) 8450007950 автомобиля Лада Веста / LADA Vesta, в строке “Комментарий” указывайте для подключения CAN-шины, видео камеры заднего вида, усилителя или сабвуфера , модель вашего автомобиля, год выпуска.
Мультимедийная система (ММС) 8450007950 на автомобили Лада Веста / LADA Vesta имеет возможность подключения к CAN-шине автомобиля, то это значит, что ММС 8450007950 умеет считывать и выводить данные с «мозгов» (сведения бортового компьютера) с помощью программы-анализатора сигналов из блоков управления.
При передаче информации от блоков управления, сигналы усиливаются приемо-передатчиком (трансивером) до необходимого уровня. То есть поддержка ММС CAN-шины даёт возможность выводить сведения о функционировании систем управления, а также сведения о различных ошибках непосредственно на монитор ММС (по аналогии с OBD-II-адаптерами) с последующей возможностью их устранения.
Хотите наблюдать важную информацию о работе двигателя, скорость, остаток топлива, пройденный путь и т.д. на мониторе мультимедийной системы (ММС) 8450007950 у себя в автомобиле Лада Веста / LADA Vesta, подключайте переходник mini ISO 8 pin синего цвета с CAN-шиной.
Если у Вас комплектация Стандарт, нет каких- то блоков (датчика температуры в салоне и за бортом, датчика температуры масла в коробке, если механика и т.д.), то не стоит ждать чуда данная индикация не появиться.
Очень удобно, кому нужно информация о пройденном расстоянии за день и время, для заполнения путевых листов, эти данные легко скинуть на SD карту или USB, они сохраняются в экселевском файле.
Переходник mini ISO 8 pin синего цвета подключается в штатный рамъем (ММС) 8450007950 автомобиля Лада Веста / LADA Vesta, а CAN-шина к диагностической колодке в ногах со стороны переднего пассажира.
CAN-шина обеспечивает подключение любых устройств, которые могут одновременно принимать и передавать цифровую информацию (дуплексная система). Собственно шины представляет собой витую пару.
Системы и блоки управления автомобиля имеют не только различные нагрузочные сопротивления, но и скорости передачи данных. Всё это может препятствовать обработке разнотипных сигналов. Для решения данной технической проблемы используется преобразователь для связи между шинами. Такой преобразователь принято называть межсетевым интерфейсом. Также интерфейс используется для ввода и вывода диагностической информации, запрос которой реализуется по проводу “К” (K-line), подключенному к интерфейсу или к специальному диагностическому кабелю CAN-шины.
Разъем OBD (OBD – On-board diagnostics) – это просто стандартный и удобный способ подключения внешнего устройства к шине CAN. Чтобы правильно считывать данные используется подходящий протокол OBD-II.
Файл лучше сохранить в памяти ММС или на флешке. При отсоединении клемм АКБ, приложение придется снова устанавливать
Другие артикулы товара и его аналогов в каталогах: miniISO8pinS.
Любая поломка – это не конец света, а вполне решаемая проблема !
Как самостоятельно подключить переходник mini ISO 8 pin синего цвета в автомобиле семейства Лада Веста.
С интернет – Магазином AvtoAzbuka затраты на ремонт будут минимальными.
Просто СРАВНИ и УБЕДИСЬ .
Не забудьте поделиться со своими друзьями и знакомыми найденной информацией, т. к. она им тоже может понадобится — просто нажмите одну из кнопок социальных сетей, расположенных выше




























