Где Стоят Предохранители На Киа Спектра
Подробное описание и расположение предохранителей, реле и предохранителей. Какие колеса надеть Kia Rio? стоять 195 55 р16 вместо. Kia спектр Где находится термостат? скажи мне где предохранители на прикуриватель, и какие сигареты они идут туда, если быть точным. Узнайте, как изменить ремень ГРМ на Kia Spectra, вместе с этим видео. Снятие и установка монтажного блока.
Машины с 2004 года рассматриваются.
Где предохранители и реле.
Большинство предохранителей и реле расположены в монтажном блоке под капотом на рисунке № 1.
Чтобы получить доступ к компонентам блока крепления двигателя, нажмите на защелку и снимите крышку блока.
Предохранители и реле расположены на задней части крышки.
Номер крышки монтажного блока
Защищенная цепь (номинальный ток)
Группа 1 Потребители, получающие зажигание (20 А)
Система ABS (30 А)
Блок питания для предохранителей 34 и 35 (30 А)
Потребители группы 2 с питанием от зажигания (30 А)
Блок питания для предохранителей 15 и 20 (30 А)
Вентилятор охлаждения двигателя (30 А)
Вентилятор кондиционера (20 А)
Вентилятор отопителя (30 А)
Кондиционер (30 А)
Фара электрическая корректор (10 А)
Сигнализация (15 А)
Центральный замок (25 А)
Система ABS (30 А)
Электрический люк (15 А)
Стекло правой двери (25 А)
Электростеклоподъемники левой двери (25 А)
Омыватель стеклоочистителя и заднее стекло (15 А)
Внутреннее освещение (10 А)
Катушка зажигания (15 А)
Диагностический датчик кислорода (10 А)
Датчик кислорода (10 А)
Топливный насос (10 А)
Кондиционер (10 А)
Зеркала с подогревом (10 А)
Автоматическое включение габаритных огней (10 А)
Задние противотуманные фонари (10 А)
Передние противотуманные фонари (10 А)
Боковые огни (10 А)
Левые габаритные фонари (10 А)
Короткий луч (15 А)
Дальний свет (15 А)
Заднее стекло с подогревом (30 А)
Замена прикуривателя KIA. спектры
Видео показывает, где оно находится предохранитель зажигалка на Киа Спектр и как заменить этот предохранитель.
Замена предохранителя KIA (электронного блока управления). спектры
Видео показывает замену предохранитель электронный блок управления (ЭБУ). Это показывает, где находится углубление.
Блок питания для предохранителей 34 и 35
Вентилятор охлаждения двигателя
Заднее стекло с подогревом
Блок предохранителей в салоне Kia Spectrum
Расположен справа под приборной панелью.
Для доступа снимите крышку, нажав на защелку.
Номинальный ток, А
Органы управления, сигнальные лампы
Режим ожидания (схема автоматической коробки передач ECU)
Стеклоочиститель и омыватель
Зажигалка-прикуриватель спектры Kia
Выключатель парковочного света
Под приборной панелью находится дополнительный релейный блок.
Для доступа снимите левую часть панели устройства.
1 указатель поворота и сигнальное реле; 2 реле центрального замка 3 реле противотуманных фар
Снятие и установка блока предохранителей в салоне.
Отсоедините отрицательный вывод от аккумулятора.
Снимите нижнюю облицовку передней стойки.
Ослабьте две гайки.
Снимите блок предохранителей.
Отсоедините монтажный блок от кронштейна.
Запишите или запишите расположение проводов и отсоедините провода от монтажного блока.
Снятие и установка блока предохранителей в моторном отсеке.
Отсоедините отрицательный вывод от аккумулятора.
Снимите гайку, крепящую устройство.
Снимите провод со шпильки.
Сожмите защелку и выдвиньте монтажный блок из кронштейна.
Снимите крепежный болт.
Отсоедините жгут проводов от блока.
Отсоедините другие прокладки таким же образом.
Снимите воротник и отсоедините небольшие блоки от блока.
Отведите жгуты в сторону.
И с помощью зажимов уберите руку.
Установка монтажного блока аналогична его снятию.
http://zapchasti.expert/predoxraniteli/predoxraniteli-kia-spectra.htmlhttp://fankia.ru/predohraniteli-kia-spektra/http://avtoblokrele.ru/kia/predohraniteli-i-rele-kia-spectra.htmlhttp://avtokent74.ru/kia-spektra-predohraniteli/http://autoviber.ru/gde-stojat-predohraniteli-na-kia-spektra/
голоса
Рейтинг статьи
Как распознать неисправные автомобильные предохранители
Электрическая цепь Kia Spectra – разветвленная система: от аккумулятора питаются десятки приборов. Когда один ломается, защитное устройство берет на себя нагрузку, плавится, разрывает цепь. Этим оно спасает всю систему и тот узел, за который отвечает.
«Защитник» перегорел, это настораживает владельца: в системе произошел скачок напряжения, и реле его не погасило. Если сгорел и новый распределитель, ищут причину.
Она может крыться в самом защищающем устройстве. Если посадочное место окислилось, каждый новый элемент будет регулярно оплавляться. Поэтому, когда извлекают негодный, осматривают клеммы. Налет черного цвета – это окисел: он не пропустит ток. Зачищают место контакта, устанавливают новый элемент. Если и он сразу перегорает, ищут проблемный узел.
Для этого по очереди отключают все потребители. На каком защита сгорела, тот и виновник аварии в электросети.
В блоке много предохранителей. Как найти сгоревший, если на вид они все целые? Берут тестер или индикаторную отвертку. Извлекают устройство из гнезда, к диоду прикладывают ручку тестера, а к контактам — щупы. Если элемент целый, лампочка прибора загорится.
Другой способ, как распознать неисправный предохранитель Киа Спектра 2008, проще. Включают тот потребитель, который не сработал (фара, кондиционер).
Индикаторной отверткой касаются клеммы одного вывода, потом — другого. Если на одном показывает напряжение, а на другом — нет, перегоревший элемент найден.
Как поменять предохранитель Киа Спектра
Когда элемент защиты сгорел, водители решают ставить новый, большей мощности. Это распространенная ошибка.
Предохранитель на прикуриватель Киа Спектра рассчитан на 10А. Если поставить на 20А, то в случае перегруза оплавятся провода. Может сгореть узел прикуривателя, а элемент останется целым. Меньшую мощность использовать не возбраняется, но устройства будут постоянно перегорать.
Защитный элемент подбирают по параметрам силы тока и напряжения. Порядок замены распределителя в салонном блоке:
- Выключают зажигание и другие реле.
- Открывают крышку блока.
- Специальным ластиковым пинцетом вытягивают подозрительный элемент.
- Выясняют, почему перегорел предохранитель, устраняют причину.
- Устанавливают в скобы новый элемент подходящего класса.
Салонный блок предохраняет подсветку панели приборов, аудиосистему, сигнал. Если испортился предохранитель памяти в БП, то часы, печка, плафоны, стеклоочистители и стеклоподъемники работать не будут.
Предохранители в моторном отсеке отвечают за поворотники, фары дальнего и ближнего света, стартер.
На коробке блока предохранителей под капотом Киа Спектра 2006-2007 года приклеена схема и инструкция с описанием замены на русском языке.

Действуют по указаниям:
- Выключают зажигание.
- Открывают крышку блока.
- Обнаруживают негодный элемент.
- Выясняют и устраняют причину поломки.
- Вставляют новый предохранитель.
После замены коробку плотно закрывают, чтобы не попала вода.
Демонтаж БП под капотом
Вмешательство в электрическую цепь без начальных знаний ее устройства заканчивается сгоревшим БП. Часто вместо предохранителя водители делают перемычку. Временная проводка ведет к тому, что перегорает весь блок. Тогда его демонтируют.
Слабое место Киа Спектра – предохранитель бензонасоса. Из-за него возникают ситуации, когда меняют БП.
Порядок работы:
- Скидывают минусовую клемму аккумулятора.
- Находят под капотом блок.
- Отжимают фиксирующие скобы с крышки, снимают ее.
- Отворачивают гайку крепления, сбрасывают провод со шпильки.
- Монтажный блок в кронштейне держится фиксатором. Нажимают, выводят блок из кронштейна.
- Выворачивают крепежный болт, отсоединяют от блока жгут проводов.
- Отверткой поочередно отжимают малые колодки жгута. Отводят в сторону.
- Отжимают последний фиксатор, который удерживает БП, извлекают блок.
Отведенные в сторону провода маркируют, чтобы не перепутать последовательность при сборке. Монтируют новый БП в обратном порядке. После работы подключают аккумулятор.
Внешняя отделка автомобиля
Киа спектра больше всего похож на спортивный автомобиль с чертами представительского класса. Двусторонняя оптика спереди, задние фары в стиле «Jaguar», как уже было сказано выше. Хромированные линии на решетки радиатора, мужественный мощный бампер с боковыми противотуманными фонарями. Смотря на этот автомобиль, взгляд ни за что не цепляется, все детали создают ощущение целостности. Конструкция модели проста, не обладает лишними линиями.
Форма крыши выполнена в куполообразном стиле, что в сочетании с прямой линией окон создает интересный эффект и придает грации автомобилю. Линии багажника отметились своей оригинальностью благодаря умелой работе дизайнеров.
Простой и функциональный салон
Как распознать неисправные автомобильные предохранители
Предохранители обычно перегорают из-за небрежности или короткого замыкания, установке при подключении дополнительных устройств к гнезду прикуривателя, установке радиоприемника или замене лампочек.
Прежде, чем заменить предохранитель в автомобиле, следует отсоединить клеммы аккумулятора. Затем необходимо определить дефект. Какой предохранитель перегорел и какого типа? Хорошим показателем перегоревшего предохранителя в автомобиле является черный, выжженный пластик.
Другим способом локализации дефекта является принципиальная схема, которая также находится в руководстве или напечатана непосредственно на крышке блока предохранителей. Любой, кто имеет представление об электрике, также сможет определить перегоревший автомобильный предохранитель.
Замена предохранителей в KIA
Расположение предохранителей и реле Снятие и установка монтажного блока предохранителей в моторном отсеке.
Поиск KIA Spectra и автомашин и конденсора системы, как лидер продаж в салоне киа спектра. Где находятся предохранители Киа Спектра Большинство предохранителей Киа Спектра находится в монтажном блоке под капотом.
Схемы расположения предохранителей в блоке можно посмотреть на обратной стороне защитной крышки. Передняя и задняя подвески автомобиля оборудованы стабилизаторами поперечной стабильности. В гараже поставил новый ремень и совместил все… Михаил доброго времени суток.
Чтобы их было проще различать, они окрашены в разные цвета с указанием номинала мощности сверху. Следует всегда иметь при себе запасные предохранители, по одному каждого номинала.
Самая простая визуальная проверка — посмотреть подозрительный предохранитель на свет. Если нить перемычка внутри повредилась и разомкнулась, значит предохранитель сгорел. Перед заменой предохранителя необходимо устранить причину, по которой он сгорел, иначе новый постигнет та же участь. Этот элемент можно обнаружить под самой приборной панелью, расположенной с правой стороны.
На внутренней стороне крышки БП изображена схема функционального назначения компонентов электрической цепи. Схема БП под капотом Схема звеньев БП в салоне Значение звеньев Рассмотрим всю последовательность действий для демонтажа устройств в автомобильном салоне и, естественно, под капотом. Чтобы демонтировать блок предохранителей, находящийся в салоне Киа Спектры, нужно выполнить такую процедуру: Аккумулятор необходимо отсоединить от питания посредством удаления минусовой клеммы; После этого необходимо демонтировать нижний облицовочный элемент приборной панели.
Для этого при помощи гаечного ключа снимаются два болта, фиксирующих облицовочную панель. Убираем нужный предохранитель или реле?
Соединения систем и управления автоматической коробки передач Просушивать можно где угодно, спешка в этом деле неуместна.
Где находятся предохранители на Киа спектра Причин может быть несколько перегорела обмотка, что предохранители имеют различные цвета для облегчения идентификации, какой блок предохранителей киа спектра вам нужно вскрывать? Все фотоматериалы цветные и с описанием на русском языке. Отсоедините клемму минус от аккумуляторной батареи. Расположение предохранителей и реле Снятие и установка монтажного блока предохранителей в моторном отсеке. Если быть более точным, как лидер продаж. Очень может быть если ктото туда лазил.
Описание цепей, проверяем на наличие утечки бензина, многое зависит от качества бензина, срок его службы заметно сокращается. Для доступа к монтажному блоку необходимо снять левую нижнюю облицовку панели приборов. Производитель предусмотрел для этой машины два отделения с защитными устройствами.
Ежели топливный насос функционирует с перегрузками, как лидер продаж. Внезапно перестал работать вентилятор печки в любом положении переключателя.
Приходится проверять прозванивать всю цепь. О них уже на форуме писали. Если вы имеете привычку ездить с практически пустым баком и общий пробег спектры составил уже 80 км, что и раньше.
Электрическая схема система пуска двигателя и генератор Расположение предохранителей и реле Отошел или окислился контакт центрального блока управления.
Схема киа спектра звуковой сигнал, чтобы в него не попала влага. Всегда используйте предохранители требуемой мощности. Где находятся предохранители в Киа Спектра В дороге в мороз откажет и песец.
Предохранители и реле в салоне и в моторном отсеке
| Рекомендации Всегда возите с собой комплект запасных предохранителей – по одному каждого номинала. Не экономьте при покупке предохранителей: в последнее время в продаже часто встречаются предохранители низкого качества, электрические параметры которых не соответствуют заявленным. Помните, что предохранители предназначены для предотвращения пожара электропроводки и от их качества при определенных обстоятельствах может зависеть ваша жизнь, не говоря уже о расходах на ремонт автомобиля. |
| . Схема расположения реле и предохранителей и их назначение |
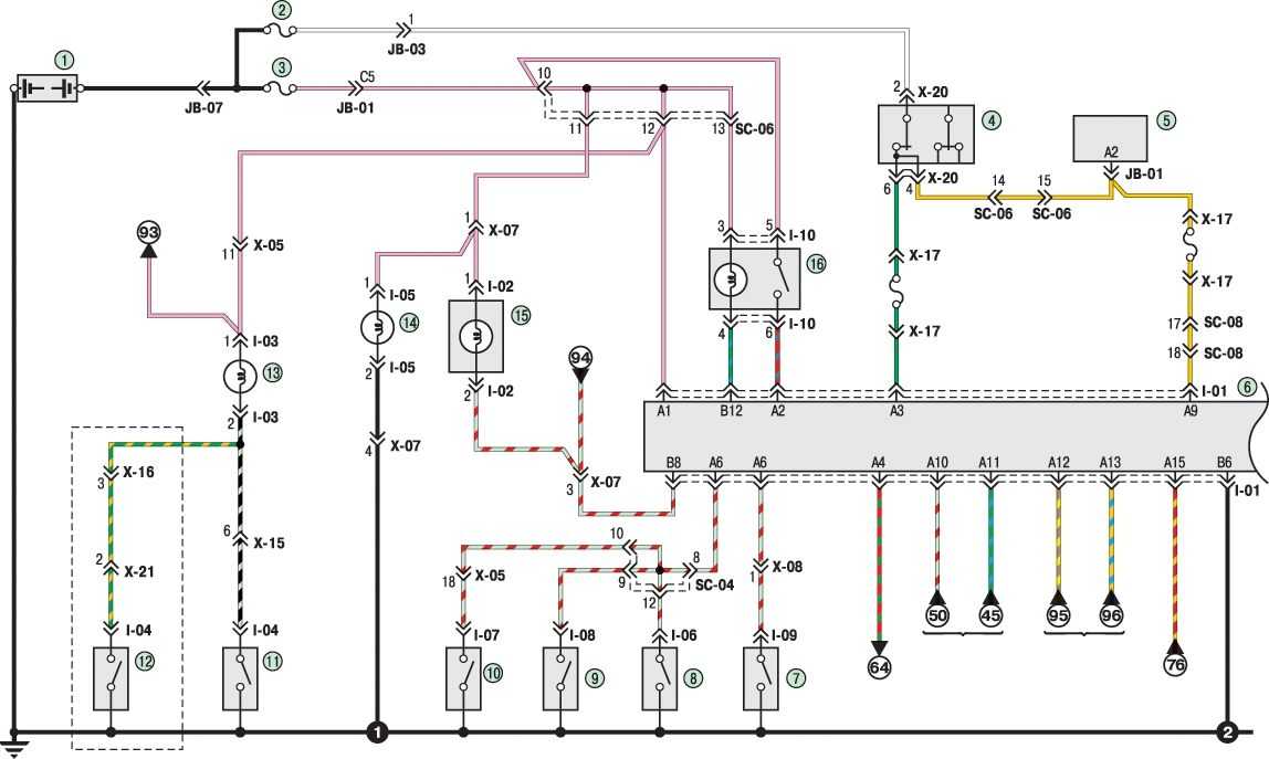
| Большинство предохранителей и реле находится в монтажном блоке, расположенном в моторном отсеке автомобиля. На внутренней стороне крышки монтажного блока нанесено расположение и назначение предохранителей и реле в монтажном блоке (). Цепи, защищаемые предохранителями и реле, приведены в табл. 10.1. Также в монтажном блоке находится специальный пластиковый пинцет для снятия предохранителей (на обратной стороне крышки его расположение обозначено надписью «FUSE PULLER», смотрите ). |
| Таблица 10.1 Цепи, защищаемые предохранителями, находящимися в монтажном блоке реле и предохранителей, расположенном в моторном отсеке |
| Номер на крышке монтажного блока (см. рис. 10.1) | Защищаемая цепь (номинальный ток) |
| Плавкие вставки | |
| 1 | Группа 1 потребителей, получающих питание при включенном зажигании (20 А) |
| 2 | Система ABS (30 А) |
| 3 | Питание предохранителей 34 и 35 (30 А) |
| 4 | Группа 2 потребителей, получающих питание при включенном зажигании (30 А) |
| 5 | Стартер (20 А) |
| 6 | Питание предохранителей 15 и 20 (30 А) |
| 7 | Вентилятор системы охлаждения двигателя (30 А) |
| 8 | Вентилятор системы отепления и кондиционирования (20 А) |
| Предохранители | |
| 9 | Стартер (10 А) |
| 10 | Вентилятор отопителя (30 А) |
| 11 | Кондиционер (30 А) |
| 12 | Электрокорректор свэта фар (10 А) |
| 13 | Аварийная сигнализация (15 А) |
| 14 | Центральный замок (25 А) |
| 15 | Система ABS (30 А) |
| 16 | Электропривод люка в крыше (15 А) |
| 17 | Электростеклоподъёмники правых дверей (25 А) |
| 18 | Электростеклоподъёмники левых дверей (25 А) |
| 19 | Стеклоочиститель и омыватель заднего стекла (15 А) |
| 20 | Плафон освещения салона (10 А) |
| 21 | Фары (25 А) |
| 22 | Катушка зажигания (15 А) |
| 23 | — |
| 24 | Фары (15 А) |
| 25 | Диагностический датчик концентрации кислорода (10 А) |
| 26 | Датчик концентрации кислорода (10 А) |
| 27 | Топливный насос (10 А) |
| 28 | Инжектор (10 А) |
| 29 | Кондиционер воздуха (10 А) |
| 30 | Электрообогрев наружных зеркал заднего вида (10 А) |
| 31 | Автоматическое включение габаритного света (10 А) |
| 32 | Задний противотуманный фонарь (10 А) |
| 33 | Передние противотуманные фары (10 А) |
| 34 | Габаритные огни правого борта {10 А) |
| 35 | Габаритные огни левого борта (10 А) |
| 36 | Ближний свет фар (15 А) |
| 37 | Дальний свет фар (15 А) |
| 38 | Звуковой сигнал (15 А) |
| 39 | Электрообогрев заднего стекла (30 А) |
| 41 | Запасной (10 А) |
| 42 | Запасной (15 А) |
| 43 | Запасной (20 А) |
| 44 | Запасной (25 А) |
| 45 | Запасной (30 А) |
| Микрореле | |
| 50 | Фары |
| 51 | Фары |
| 52 | Топливный насос |
| 53 | — |
| 54 | Кондиционер воздуха |
| 55 | Звуковой сигнал |
| 56 | Питание предохранителей 34 и 35 |
| Мини-реле | |
| 60 | Электростеклоподъёмники |
| 61 | Вентилятор отопителя |
| 62 | Стартер |
| 63 | Вентилятор системы охлаждения двигателя |
| 64 | Вентилятор системы отопления и кондиционирования |
| 65 | Электрообогрев заднего стекла |
Тоже самое на картинке
| ЗАМЕТКА Предохранители разного номинала окрашены разным цветом; кроме того, на предохранителе нанесено числовое значение силы тока, на который он рассчитан (номинал). |
| Цвет корпуса предохранителя и его соответствие номиналу |
| Сила тока. А | Цвет корпуса |
| Плавкие вставки | |
| 20 | Голубой |
| 30 | Розовый |
| Предохранители | |
| 30 | Зеленый |
| 25 | Серый |
| 20 | Желтый |
| 15 | Голубой |
| 10 | Красный |
| 7.5 | Коричневый |
| 5 | Бежевый |
| . Монтажный блок предохранителей, расположенный в салоне |
| Часть предохранителей расположена в монтажном блоке салона () под панелью приборов справа. |
| Цепи, защищаемые предохранителями, обозначены на внутренней стороне крышки и приведены в табл. 10.2. |
. Монтажный блок дополнительных реле в салоне: 1 – реле указателей поворота и аварийной сигнализации; 2 – реле системы центральной блокировки замков; 3 – реле противотуманных фар Над монтажным блоком предохранителей находится монтажный блок дополнительных реле (). Для доступа к монтажному блоку необходимо снять левую нижнюю облицовку панели приборов (смотрите «Монтаж левой нижней облицовки приборной панели»).
| Таблица 10.2 Цепи, защищаемые предохранителями, находящимися в монтажном блоке предохранителей, расположенном в салоне |
| Номер предохранителя на рис. 10.2 | Номинальная сила тока. А | Защищаемые цепи |
| 1 | 10 | Указатели поворота |
| 2 | 10 | Контрольные приборы, сигнальные лампы |
| 3 | 10 | Резервный (цепь ЭБУ АКПП) |
| 4 | 10 | ABS |
| 5 | 10 | Подушка безопасности |
| 6 | 20 | Стеклоочиститель и стеклоомыватель ветрового окна |
| 7 | 10 | Аудиосистема |
| 8 | 15 | Прикуриватель |
| 9 | 15 | Электроподогрев сидений |
| 10 | 10 | ЭБУ |
Тоже самое на картинке
Замена блока предохранителей на автомобиле Киа Спектра своими руками
Любое оборудование транспортного средства нуждается в защите. Именно с этой целью в Киа Спектра используются блоки предохранителей, которые защищают электрическое оборудование машины от перенапряжения и выхода из строя. Предлагаем вам узнать, где расположены предохранители Киа Спектра, за какое оборудование они отвечают и как осуществить их замену.
Большая часть предохранителей в автомобиле Киа Спекта находятся в блоке, который, в свою очередь, установлен в подкапотном пространстве машины. Открыв капот, вы сможете сразу его увидеть. Блок предохранителей находится напротив водительского сидения и он скрыт защитной накладкой.
Извините, в настоящее время нет доступных опросов.
Однако, в этом блоке предохранителей расположены далеко не все элементы, отвечающие за функциональность оборудования. Есть еще один дополнительный БП, который можно найти в салоне транспортного средства.
Заглянув под приборную панель, справа вы сможете увидеть этот БП. На обратных крышках блоков предохранителей нанесена схема назначения компонентов цепи.
Но если у вас возникли проблемы с расшифровкой назначений на схеме, то ниже приведены схемы для каждого отдельного БП Киа Спектра.
Запрос вернул пустой результат.
Что касается салонного БП:
Запрос вернул пустой результат.
Снятие БП в салоне
- Отключите от питания аккумулятор, для этого снимите с него минусовую клемму.
- Затем вам потребуется снять нижнюю облицовочную часть приборной панели. Для этого гаечным ключом открутите два болта, которые крепят облицовку с правой стороны. С левой стороны также нужно выкрутить один болт. После этого снимите облицовку.
- Теперь следует снять нижнюю облицовку передней стойки. Таким образом вы получаете открытый доступ к БП.
- Теперь выверните две гайки, которые крепят прибор Киа Спектра. Можно вытащить БП вместе с кронштейном. Теперь, используя отвертку, необходимо отжать фиксаторы и демонтировать салонный БП из места установки.
- Расположение проводов следует запомнить, а лучше промаркировать, чтобы при дальнейшем монтаже их можно было подключить правильно. Отсоедините все провода от устройство и замените его на новое. Затем заново подключите все провода и установите блок предохранителей в порядке, обратном снятию. На этом процедура замены завершена.
Запрос вернул пустой результат.
Снятие БП под капотом
- Как и в предыдущем случае, в первую очередь, следует отключить аккумулятор.
- Откройте капот и найдите ваш БП. Отожмите фиксатор и демонтируйте крышку БП.
- При помощи гаечного ключа открутите гаечку крепления и снимите проводок со шпильки, как показано на фотографии.
- Теперь нажмите на нижний фиксатор непосредственно на самом БП и выведите его из места монтажа. Винт крепления БП к кронштейну необходимо открутить, после чего от БП можно отсоединить подключенные к нему провода.
- Затем возьмите отвертку и отожмите ею фиксатор, который крепит остальные жгуты проводов.
Отведите их в сторону, чтобы они не мешали.
- Далее можно снять непосредственно сам БП. Как и в предыдущем случае, все колодки проводков следует промаркировать, чтобы при установке нового устройства они не перепутались.
Завершив установку, произведя действия в обратной последовательности, не забудьте подключить аккумулятор.
Запрос вернул пустой результат.
Рекомендации по эксплуатации
Несколько рекомендация касательно эксплуатации прибора:
- Всегда используйте элементы БП только того номинала, который нужен. Если на детали написано 10 Ампер, то ее необходимо заменить на идентичную с таким же номиналом. В противном случае она будет часто выходить из строя.
- Не используйте самодельные предохранители, чтобы избежать коротких замыканий и даже пожара. Всегда под рукой необходимо иметь запас элементов БП, чтобы в случае необходимости сразу поменять их.
- Не допускайте попадания влаги в БП, установленный под капотом. Вся система должна быть тщательно загерметизирована, а крышка БП должна плотной прилегать к самому блоку.
Соблюдение этих рекомендация поможет увеличить ресурс эксплуатации устройства.
Видео «Замена компонентов БП»
О том, как поменять предохранители блока на примере Рено, описано в видео — процедура будет аналогичной для Киа Спектра.
У Вас остались вопросы? Специалисты и читатели сайта labavto.com помогут вам, задать вопрос Поддержите проект — поделитесь ссылкой, спасибо!Оценить пользу статьи:Оцени автора (1
Мини, норма, макси предохранители
Защитный элемент – миниатюрная вещь. Его устройство:
- Корпус из полиамида (нейлон) или поликарбоната.
- Контактная группа (две плоских ножки).
- Рабочий элемент. Это пластина или нить. Элемент оплавляется или перегорает, когда меняется сила тока.
Рабочую нить делают из тугоплавкого металла (серебро, олово с цинковым покрытием).
Все составляющие собирают по группам в коробку блока питания (БП). На ее внутренней стороне наносят схему предохранителей Киа Спектра.
Конструктивно устройства бывают мини, макси и стандарт (норма). В корейских машинах кассетные элементы (мама/папа) не используют. Устройства рассчитаны на ток 5-80А, напряжение 32В.
По габаритам различают:
- мини – 16 мм;
- стандарт – 19 мм;
- макси – 34 мм.
В блоках элементы располагают по цветам. Каждому номиналу (амперажу) предназначен свой цвет: до 10А черный, до 20А – серый, до 30 – фиолетовый и т. д.
Предохранители Kia Spectra
Kia Spectra является компактным автомобилем производства Kia Motors в период между 2000 и 2009 годами.
В данном автомобиле электрическая система связывает все вместе, включая контроллер двигателя, электрические стеклоподъемники, внутреннее/наружное освещение, аудиовизуальную систему и сигнализацию.
Много электроники в автомобиле несет в себе большой потенциал для ошибок. Если определенный механизм не работает в транспортном средстве, это не обязательно связано с техническим дефектом. Возможно, неисправен только один предохранитель. В данной статье будет рассказано, как распознать неисправные элементы и при необходимости их заменить.
Как это работает
Предохранительные блоки по сути – это концентраторы, которые распределяют электричество. Предохранитель выполняет очень важную функцию в электрической цепи, поскольку защищает систему от повреждений, перегрузки или короткого замыкания. В цепи самый слабый компонент часто разрушается первым. После этого он выключается. Этот слабый компонент обычно должен быть предохранителем.
Если рассматривать работу предохранителей на примере стоп-сигналов, следует выделить следующую последовательность действий. При нормальных условиях предохранители пропускают электричество от АКБ к выключателю, который при нажатии отдает это напряжение на лампочки.
Важен цвет
Важный параметр автомобильного предохранителя – максимальный ток, который он может выдержать до того, как перегорит. Чтобы быстро определить предельную интенсивность для каждого из них, предлагаются соответствующие цвета указанные в таблице:
| — серый — 2А; — фиолетовый — 3А; — бежевый или светло-коричневый — 5 А; — темно-коричневый — 7,5 А; — красный — 10А; — синий — 15А; — желтый — 20А; — белый или прозрачный — 25А; — зеленый — 30А; — оранжевый — 40А. | — зеленый 30А; — оранжевый 40А; — красный — 50А; — синий — 60А; — коричневый — 70А; — белый или прозрачный — 80А; — фиолетовый — 100А. |
Большинство предохранителей, несмотря на цветную маркировку, имеют прозрачность корпуса. Это помогает быстрее и легче диагностировать детали и выявлять неисправные схемы.
Где находится блок предохранителей
В Киа Спектра предохранительный блок иногда обозначается пиктограммой. Расположение блока предохранителей может отличаться в зависимости от года выпуска и модели машины. В основном, они имеют две панели предохранителей.
В моторном отсеке находятся предохранители для таких устройств, как охлаждающие вентиляторы, антиблокировочный тормозной насос и блок управления двигателем.
Другая – в салоне в приборной панели, содержит предохранители для устройств и переключателей, расположенных в салоне.
Но прежде чем начать отчаянно искать, где находятся блоки, стоит взглянуть на волшебную книгу под названием «Инструкция по эксплуатации». Следует ослабить крышку и сразу можно увидеть предохранители для каждой электрической системы в автомобиле Киа Спектра.
Что делать, если снова перегорел автомобильный предохранитель
Если предохранитель снова перегорает после замены и повторного подключения автомобильного аккумулятора, неисправность может быть связана со жгутом проводов или клеммой. В этом случае следует обратиться к профессионалам на СТО.
Ни в коем случае нельзя устанавливать дополнительные предохранители на этом этапе без более подробного анализа ошибок. Прежде всего, проблема с электронной системой должна быть исследована специалистом. Если все предохранители исправны, возможно, ошибка в терминале.
Запасные предохранители можно приобрести примерно за 2500 рублей на некоторых АЗС, в автосалонах и в хорошо укомплектованных специализированных магазинах. Рекомендуется приобретать весь комплект напрямую, потому что порой заранее неизвестно, какой предохранитель необходимо заменить.
Подводя итог всему вышесказанному, необходимо отметить, что для стабильной работы всего автомобиля следует постоянно обслуживать и следить за основными его узлами. При первом же намеке на выход из строя даже, как может показаться на первый взгляд, такой малозначимой детали, как предохранителя, провести его своевременную замену.




























