Коды ошибок света, зеркал и прочие
- В 9501 — нет сигнала от датчика капель дождя на стекле;
 - В 9502 — не работает регулятор чувствительности датчика;
 - В 9503, 9505 и 9506 — ошибки функционирования стеклоочистителя;
 - В 9504 — проблема с работой реле включения фар.
 
При наличии зеркал заднего вида с обогревом и электрорегулировками возможны дополнительные ошибки:
- В 9244, 9246, 9247, 9250 и 9251 — неисправности системы изменения наклона зеркала;
 - В 9230 — ошибка в блоке управления зеркалами;
 - В 9252 — залипание контактов регулятора.
 
Отдельным блоком можно рассмотреть неполадки контроллера, связанные с работой электрики на кузове и в салоне (категория В)
0001-0004
Не работают лампы указателей поворотов
0005-0018
Различные проблемы в работе моторов стеклоподъемников
0019-0026
Проблемы с питанием зеркал
0027-0028
Неисправности противотуманных фар
0035-0038
Обрыв или перегрузка электроцепи
0039-0043
Обрывы цепей обогрева стекла, габаритных огней и ближнего света
0044-0046
Ошибки иммобилайзера
0052
Ошибка, появляющаяся после пропадания питания в сети
1375-1378
Не работают датчики испарителя кондиционера
1382-1385
Обрывы в цепи датчика температуры в салоне
1860, 1861
Параметры питания лежат вне поля допуска
Кроме этого, одной из самых частых ошибок на Ладе Калине является Р 0441, указывающая на недостаточный объем воздуха, поступающего для продувки абсорбера. Такая проблема приводит к загоранию лампы «чек» после продолжительного движения и не влияет на ходовые качества машины. Не менее распространена неисправность Р 1602, она сигнализирует о пропадании напряжения на ЭСУД и записывается в память после отключения аккумулятора.
Нередки ошибки лямбда-зондов и систем их подогрева. Например, 0036, которая говорит о выходе из строя электроподогрева датчика. Решение этой проблемы — замена датчика или установка «обманки». По мере внесения изменений в конструкцию автомобилей и появления новых опций список кодов ошибок на Лада Калина постоянно расширяется.
Информация взята с сайта: https://autodvig.com/diagnostics/kody-oshibok-kalina-50787/
Как поменять датчик сцепления на Приоре
Ну вот и до такого узла, как сцепление, добралась повальная компьютеризация автомобилей. Нет, самим процессом электронный блок ещё не управляет, но на контроле у него этот процесс уже стоит. Для этого, под педалью привода сцепления установлен датчик, следящий за ходом работы муфты.
Принцип работы электронной системы управления двигателем (ЭСУД)
В современном автомобиле всё управление процессами, кроме вращения рулевого колеса, и то пока, возложено на компьютер, или Электронный блок управления (ЭБУ). В нём установлена программа со множеством различных таблиц.
В общем, ЭБУ получает данные о состоянии автомобиля, скорости, оборотах, включенных механизмов от большого количества датчиков.
По результатам этих наблюдений ЭБУ, пользуясь этими таблицами, включает определённые режимы зажигания, подачи топлива и прочие исполнительные функции.
Роль датчика сцепления
Казалось бы, а при чём тут муфта? А вот причём. Когда включается механизм сцепления, самое разумное сбросить обороты двигателя. Но не до холостых, а сообразно скорости автомобиля. Это не всегда доступно водителю, особенно начинающему. И тут на помощь придёт компьютер. Реагируя на сигнал датчика сцепления, он может самостоятельно корректировать обороты мотора.
Резюмируя вышесказанное, можно сказать, что присутствие на сцеплении датчика позволяет:
- экономит топливо;
 - облегчить вождение;
 - следить за исправность муфты;
 - увеличить срок её службы.
 
Следовательно, его исправность является важным фактором системы управления «Приоры».
Устройство и расположение датчика сцепления «Приоры»
В принципе, это простейший выключатель. В положении, когда муфта выключена и педаль не нажата, цепь датчика разомкнута. Если же нажать на привод муфты, то концевик датчика замыкается, и на ЭБУ идёт сигнал «включено сцепление».
Расположен он на узле крепления педали включения привода сцепления, где самый кончик этой педали расположен напротив концевика датчика.
Признаки неисправности этой детали
Так как этот элемент связан с ЭБУ, то оно и реагирует на его выход из строя в первую очередь. То есть подаёт своеобразные сигналы, отражающиеся на панели приборов, и заметные в поведении «Приоры» при движении.
- включение лампочки «Чек энджер»;
 - подёргивания при начале движения;
 - резкое падение или, наоборот, увеличение оборотов при включении муфты.
 
Всего неисправностей может быть три: поломка самого датчика, обрыв или замыкание его цепи, ну и неправильная регулировка расположения концевика на педали.
Внимание! Таким устройством оснащены только «Приоры», на которых установлен электронный дроссель. Машины с обычным тросиком газа его не имеют
Также он выпускается для полноприводных ВАЗ
Нужно помнить, что это два вида датчиков, и они не взаимозаменяемы!
Также он выпускается для полноприводных ВАЗ. Нужно помнить, что это два вида датчиков, и они не взаимозаменяемы!
Вообще, контрольная лампа «Чек» загорается в тех случаях, если ЭБУ не получил сигнала в течение 2 секунд при трогании с места или при четырех переключениях на ходу без сигнала. Соответственно, появляются упомянутые выше признаки.
И только после этого снять его. Это несложная процедура. Датчик сцепления крепится всего двумя болтами-саморезами, и снять его при помощи короткой, фигурной отвёртки нетрудно. Ну а потом, уже на месте определиться, то ли начинать поход по торговым точкам в поисках нового узла, то ли попытаться восстановить старую деталь. Ну и поставить её на место.
После окончания работы на «Приоре, не забыть обнулить память ошибок ЭБУ.
Особенности системы зажигания
По статистике, около 70% всех ошибок системы управления связаны именно с нарушением комбинированного впрыска топлива. На каждый цилиндр устанавливается индивидуальная катушка зажигания. Они не требуют регулировки и обслуживания. При работе двигателя в систему управления передаётся около 50 параметров работы.

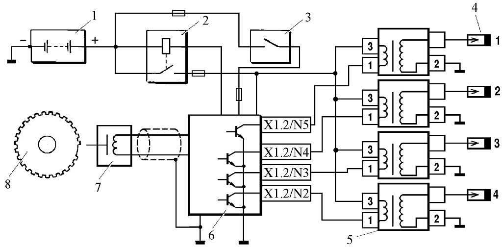
В состав системы входят:
1 – аккумулятор;
2 – пусковое реле;
3 – выключатель;
4 – свечи;
5 – катушки;
6 – контроллер;
7 – датчик коленвала;
8 – исполнительный диск.
Система влияет на такие параметры, как: обороты холостого хода, средний расход топлива, мощность при полностью выжатой педали газа. При сбое воспламенения хотя бы в одном из цилиндров двигатель начинает «троить», что сразу сказывается на поведении автомобиля.
Лампа «Проверь двигатель» переходит в мигающий или постоянно горящий режим. Это первый признак, при котором стоит обратиться за диагностикой в лицензированный автосервис.
Замена датчика детонации Лада Калина
Для удобного, быстрого проведения работ вам понадобится следующие нехитрые инструменты: — плоская отвертка; — гаечный ключ, а лучше головка на «13».
Прежде чем производить работы с электрикой автомобиля, отсоедините минусовую клемму от АКБ. Так вы обезопасите себя от ударов током, а электронику вашего автомобиля от коротких замыканий и сбоев.
Для того чтобы ничего не помешало проведению работ, первым делом необходимо отсоединить высоковольтные провода подключенные к свечам зажигания
Внимание! Во избежание ожогов, все работы производите при холодном двигателе.
Берем ключ или головку на 13 и в направлении против часовой стрелки откручиваем болт крепления. Для того чтобы он не упал, откручивать рекомендуется не до конца. После ослабления крепления при помощи инструмента, болт легко открутить руками.
При помощи плоской отвертки отжимаем металлическую скобу крепления контактной фишки присоединенной к корпусу ДД
Удаляем скобу, отсоединяем сам датчик.
Сборка выполняется в обратной последовательности. При установке и закручивании крепежного болта изделия, обратите внимание на то, что момент его затяжки должен стравлять 20-25 ньютон на метр.
После установки произведите несколько пусков двигателя и убедитесь в его штатной работе.
После ослабления крепления при помощи инструмента, болт легко открутить руками.
При помощи плоской отвертки отжимаем металлическую скобу крепления контактной фишки присоединенной к корпусу ДД. Удаляем скобу, отсоединяем сам датчик.
Сборка выполняется в обратной последовательности
При установке и закручивании крепежного болта изделия, обратите внимание на то, что момент его затяжки должен стравлять 20-25 ньютон на метр.
После установки произведите несколько пусков двигателя и убедитесь в его штатной работе.
На видео представлен автомобиль Лада Гранта,но так как моторы у них одинаковые,то и замена происходит аналогично:
Расшифровка кодов ошибок Лада Калина 2
Большая часть индексов и кодировок аналогична модели первого поколения, до рестайлинга. Следовательно, в 80% случаев, вышеупомянутый список будет актуален и здесь. Однако новое поколение обзавелось большим количеством бортовых систем, отсутствующих на старой машине, что вынудило производителя стандартную таблицу подкорректировать.
Подача кислорода в двигатель (0100)
- 101 – возможно замыкание ДМРВ, наблюдается превышение допустимых пределов индикации;
 - 106-108 – неправильные данные от сенсора абсолютного давления впускного коллектора;
 - 130 – отказ датчика кислорода до каталитического нейтрализатора сломан;
 - 131-134 – неполадки питания вышеуказанного сенсора.
 
Неисправности цепи зажигания (0300)
- 326 – критические колебания уровня сигнала от датчика детонации топливной смеси;
 - 363 – присутствуют пропуски воспламенения массы для предохранения катализатора.
 
Привод дросселя и тормоза ВАЗ Kalina 2 (0500)
- 500 – обрыв сети датчика спидометра;
 - 501 – неисправен вышеуказанный сенсор;
 - 503 – плавают показатели сенсора скорости;
 - 504 – некорректный отклик датчика тормозов – возможно неправильное срабатывание ABS;
 - 505 – сломан или сбился индикатор регулировки ХХ;
 - 506-507 – заклинил регулятор ХХ, сопровождается слишком низкими или высокими оборотами;
 - 522/523 – неверные данные от датчика давления масла внутри картерного отсека ДВС.
 
Некорректные данные от бортовых сетей машины (0600)
- 606 – отказал блок АЦП;
 - 642/643 – некорректный сигнал от шины запитки датчиков;
 - 660-662 – клапан контроля длины каналов неисправен или имеется обрыв цепи с замыканием на 12В или массу;
 - 691-692 – подача питания на реле первого кулера радиатора нарушена с возможным КЗ;
 - 693-694 – аналогично, только для второго элемента.
 
Магистраль сцепления (0800)
830 – датчик выключателя соответствующей педали не откликается на запрос ЭБУ, возможен отказ сенсора или повреждение проводки.
Маркировки ошибок дополнительных систем (1000)
- 141 – отказ или повреждение цепи нагревателя ДК2;
 - 301-304 – пропуски зажигания для защиты катализатора для всех цилиндров последовательно;
 - 335 – неправильное положение ДЗ;
 - 336 – сбой синхронизации датчиков и фактического положения дроссельной заслонки;
 - 384 – управление приводом ДЗ, момент ДВС превышает допустимые пределы;
 - 385 – аналогично, только для сигнала двигателя;
 - 386 – линия индикации наличия детонации смеси выдает сбой;
 - 387 – нарушение синхронизации момента впрыска с положением ДЗ;
 - 388 – ДПДЗ не корректно реагирует на нажатие педали газа;
 - 389 – тоже только с превышением порогов оборотов силовой установки;
 - 390 – не реагирует на запрос ЭБУ дроссельная заслонка;
 - 410/425/426 – неисправность цепи клапана продувки адсорбера с КЗ на массу или 12 вольт;
 - 513/514 – обрыв сети датчика ХХ с замыканием;
 - 545 – сбой синхронизации или медленная реакция ДЗ на импульс ДПДЗ;
 - 558 – износ или поломка пружины дроссельной заслонки;
 - 559 – неисправен привод ДЗ;
 - 570 – обрыв цепи иммобилайзера;
 - 578 – нарушение работы или заклинивание привода ДЗ;
 - 600 – отсутствует отклик от иммобилайзера;
 - 602 – пропадает питание бортовой сети, возможно, требуется обтянуть клеммы аккумулятора;
 - 603 – поломка ЭСППЗУ;
 - 689 – некорректно отображаются данные памяти ошибок.
 
Периферическая система БУ (2000)
- 70-71 – клапан диагностики величины каналов неисправен (заклинил);
 - 100 – обрыв магистрали ПДЗ;
 - 101 – аналогичное значение предыдущего пункта;
 - 102/103 – КЗ линии управления ДЗ;
 - 105 – отказ блока контроля;
 - 122/123 – неверный сигнал положения педали;
 - 127/128 – аналогично вышеуказанному коду;
 - 187/188 – чрезмерно обогащенная или обедненная смесь на ХХ;
 - 135 – сенсоры А и Б, предназначенные для контроля положения ДЗ неправильно реагируют;
 - 138 – аналогичное значение для соответствующих датчиков положения рычага ускорителя;
 - 176 – сбой положения привода дросселя;
 - 178 – полный отказ адаптации вышеуказанного блока;
 - 187/188 – неверное смесеобразование;
 - 270/271 – отсутствие реакции ДК2 на обогащение или обеднение смеси после катализатора;
 - 301/304/307/310 – КЗ катушки зажигания для всех цилиндров соответственно;
 - 500/501 – неверные показания запитывания генератора.
 
Неисправность передачи данных от БК до диагностического узла (U0000)
- 1 – проверочная шина сломана;
 - 9 – аналогичное значение с замыканием в линии;
 - 73 – подключите CAN колодку;
 - 0100 – подсоедините разъем проверки ДВС;
 - 305 – несовместимость ПО с ЭБКК.
 
Порядок действий при диагностике
При обнаружении значка, информирующего об ошибке в одной из систем автомобиля, водителю рекомендовано произвести диагностику неисправности портативным прибором. Если владелец в первый раз решил самостоятельно проверить ошибки, ему нужно соблюдать порядок действий:
- Определить расположение диагностического разъема.
 - Выбрать автосканер для выявления неисправностей и ошибок в электронных системах управления.
 - Подобрать адаптер для подключения оборудования, совместимый с разъемом.
 - Загрузить программное обеспечение для диагностики на портативное электронное устройство, произвести установку и настройку. Для сканеров, оборудованных дисплеем, софт не нужен.
 - Подключить через коннектор к разъему ОБД2 автосканер.
 - Запустить двигатель автомобиля.
 - Следуя инструкциям, сделать диагностику, получить протокол ошибок, определить коды, расшифровать по таблице.
 - По полученным данным произвести устранение неисправностей.
 - Удалить ошибки в памяти ЭБУ двигателя, ЦБКЭ и других блоков.
 - После ремонта снова проверить систему и убедиться, что ошибки не возникают.
 
Кроме выявления ошибок в работе систем, с помощью сканера проверяется работа датчиков всех электронных узлов.

Диагностика Весты в салоне. Источник фото: drive2.ru
Владельцам «Весты», впервые диагностирующим автомобиль, помощь окажут на сайтах по автотематике. На форумах размещаются фото- и видеоматериалы для самостоятельной проверки с помощью сканера. Также публикуются статьи, обучающие, как подключаться к ЭБУ, ЦБКЭ, другим блокам, и пользоваться оборудованием.
Источник
ОФИЦИАЛЬНО
После презентации с комментариями выступили представители руководства компании. В частности, Максим Саржин, директор проекта «Лада Веста» ПАО «Автоваз», пояснил, с какими новинками приходит на рынок LADA Vesta SW и какие еще сюрпризы готовит компания.
– В LADA Vesta SW и LADA Vesta SW Cross появляется целый ряд инноваций. Первое – это яркий дизайн. Второе – мы добавили некоторые опции, такие как дополнительный обогрев заднего сидения, обогрев руля, новые подлокотники, добавили новые цвета. Одной из изюминок автомобиля в LADA Vesta SW является многофункциональность багажного отделения, – рассказал Максим Саржин, директор проекта «Лада Веста» ПАО «Автоваз».
– Очень важно понимать, что исторически ПАО «Автоваз» в сегменте универсалов занимал достаточно высокие позиции. Поэтому, модель, которую мы сегодня запускаем на производство, – это продолжение наших универсалов, всеми любимых, и я думаю, что мы удивим еще больше наших поклонников и потребителей, кто уважает однообъемники, дополнительными функциями, опциями, которых никогда не было в автомобилях LADA
И мы, я думаю, удивим потребителя нашим продуктом в самое ближайшее время, – подытожил Саржин.
Самодиагностика Лада Веста: советы и инструкция
Перед началом самодиагностики вам потребуются следующие инструменты:
| Инструмент | Описание | 
|---|---|
| Автомобильный сканер | Устройство, подключаемое к диагностическому разъему автомобиля для чтения информации из электронных систем. | 
| Мультиметр | Прибор для измерения электрических параметров. | 
| Ключи и гаечные ключи | Инструменты для разборки и снятия деталей автомобиля. | 
После подготовки инструментов можно приступить к самой самодиагностике:
Подключите автомобильный сканер к диагностическому разъему, расположенному в салоне автомобиля.
Прочитайте данные из электронных систем автомобиля с помощью сканера
Обратите внимание на наличие ошибок и предупреждений.
Проверьте состояние аккумулятора с помощью мультиметра. Удостоверьтесь, что напряжение на бортовой сети соответствует норме.
Проверьте работу основных систем автомобиля, таких как тормозная система, система охлаждения, система зажигания и т.д
При наличии неисправностей рекомендуется обратиться к специалисту для дальнейшего ремонта.
Помимо самодиагностики с использованием специальных инструментов, также рекомендуется регулярно осматривать автомобиль на наличие следующих признаков неисправности:
| Признак неисправности | Возможная причина | 
|---|---|
| Неустойчивая работа двигателя на холостом ходу | Слабый заряд аккумулятора или проблемы с системой зажигания. | 
| Троение двигателя на холостом ходу | Проблемы с системой питания или искра в свечах зажигания. | 
| Неисправность системы охлаждения | Утечка охлаждающей жидкости или неисправность вентилятора. | 
При обнаружении любых признаков неисправности рекомендуется обратиться к сервисному центру для проведения детальной диагностики и ремонта автомобиля.
Теперь вы знаете основные советы и инструкцию по проведению самодиагностики автомобиля Лада Веста. Помните, что регулярная самодиагностика позволяет выявить и устранить проблемы автомобиля вовремя, что поможет сохранить его в отличном техническом состоянии.
ЭБУ Лады Веста и подходящие сканеры
Электронное управление Vesta получило интерфейс CAN. Мозги общаются с различными системами посредством цифровых кодированных сигналов. Более того, ЭБУ Итэлма M86 легко согласовывается со сторонними устройствами защиты (сигнализации), трекерами GPS, мультимедиа системами. Единственное требование – наличие соответствующей шины данных.
Для диагностики, считывания показателей и ошибок используются автомобильные сканеры ELM327. Также используют другие мультимарочные устройства, которые работают по протоколу OBD2 и CAN-шиной:
Возможности диагностики систем LADA VESTA:
| Диагностируемаясистема LADA VESTA | Основные функции | |||||
|---|---|---|---|---|---|---|
| Коды неисправностей | Параметры | Исполнительные механизмы | Специальные функции | Автоопределение | Идентификация | |
| Двигатель, ЭБУ М86 | + | + | + | Сброс ЭБУ, сброс адаптаций, сброс настроек, сброс обучения, сброс круиз-контроля и ограничителя скорости, адаптация дроссельной заслонки и др. | + | + | 
| АКПП ZF AMT (робот) | + | + | + | Сброс ЭБУ, обучение сцепления (в режиме управления ИМ) | + | + | 
| ABS BOSCH 9.0 | + | + | + | Сброс ЭБУ, обучение датчика угла поворота руля, обучение датчика ускорения | — | + | 
| Подушки безопасности Takata | + | + | — | — | — | + | 
| Приборная панель | + | — | — | Сброс ЭБУ, сброс настроек, адаптации | — | + | 
| Электропакет T4V20 | + | + | + | Сброс ЭБУ, сброс внутренней защиты ЭБУ, запись VIN | — | + | 
| Электропакет T4VS | + | + | + | Запись VIN | — | + | 
| Усилитель руля | + | + | — | Запись VIN, сброс ЭБУ, сброс ЭБУ с инициализацией, адаптации (индекс скорости колёс, датчик внешнего угла, стопор конца рейки и т.д.) | — | + | 
Расположение ЭБУ:
На данном автомобиле ЭБУ расположен в подкапотном пространстве, с правой стороны (вид с передней части). Фиксирован несколькими винтами к стакану амортизатора. Колодки подключение проводов расположены снизу блока, но сам ЭБУ развернут на 90 градусов. Фиксация шин осуществляется защелками. Для извлечения фишки следует отщелкнуть замок, вынуть колодку.
К слову, снятие ЭБУ необходимо только при прошивке контроллера.
Чип тюнинг и прошивка ЭБУ Весты:
Оригинальная прошивка заточена под согласование выбросов двигателя с нормами ЕВРО. Чипованные блоки имеют измененное ПО, отключающее некоторые датчики (лямбду) для больших динамических показателей. Узнать тип прошивки можно через OpenDiag. О том, как прошить ЭБУ, будет рассказано далее.
Расшифровка: ошибки Лада Гранта
Список возможных неисправностей большой. Поэтому мы разбили его на три части по исходным проблемам. Это коды ошибок, которые выдает:
- Электронный блок управления (ЭБУ);
 - При наличии – автоматическая коробка передач (АКПП);
 - Проблема с передачей данных EEPROM.
 
Разумеется, имея МКПП вы не получите код ошибки, относящийся к коробке-автомату.
Самая большая группа неисправностей. Сюда относятся данные по датчикам ДВС. Нумерация кодов от Р0030 до Р2501.
Р0030-Р0172
Р0200-Р0363
Р0422-Р0660
Р0661-Р1388
Р1389-Р1689
Р2070-Р2501
Полный список ошибок АКПП Гранта
Полная таблица неисправностей с АКПП ВАЗ2190 гораздо меньше предыдущей. Весь список далее:
Все коды ошибок АКПП уместились в один блок
Коды ошибок передачи данных ВАЗ 2190
Самая малочисленная группа кодов. Их всего шесть, все начинаются на U – неисправности АКПП и ДВС обозначаются через букву Р.
Все известные ошибки передачи данных на Гранте
Как посмотреть и сбросить ошибки на Гранте
Для точной диагностики нужен диагностический сканер OBD2 – он же ELM327. Профессиональный вариант стоит несколько тысяч, китайский любительский – 200 рублей.
Дешевые китайские диагностические устройства не гарантируют работу с программным обеспечением вашей машины.
Оптимально при покупке через алиэкспресс и подобные сайты выбирать продавца с большим количеством отзывов и в них находить комментарии по работе с вашей машиной. Иначе диагностика превратится в лотерею.
Через этот же сканер можно сбросить все коды ошибок и «чек» потухнет до следующего обнаружения поломки. Принцип работы одинаков на всех автомобилях.
Также поможет установка незаводского бортового компьютера типа «Штат» с функцией определения ошибок. При обнаружении код ошибки загорится на дисплее.
Стереть из памяти причины «Джеки Чана» можно, сбросив клемму с АКБ на несколько минут. Метод не всегда помогает
Какую клемму сбрасывать – неважно
Распознаём проблему самостоятельно
Проверка автомобиля в автосервисе будет стоить определённых денег, но продиагностировать компьютерную систему можно самостоятельно. Такая диагностика может определить не только проблемы в работе двигателя, но и выявить другие неисправности автомобиля.
Удаление липовых ошибок
- При выключенном зажигании зажмите кнопку сброса пробега автомобиля;
 - Удерживая кнопку, проверните ключ в состояние включения зажигания, но не заводите авто;
 - Через пять секунд после включения зажигания отпустите кнопку сброса пробега автомобиля;
 
На панели приборов загорятся все знаки ошибок и предупреждений, стрелки спидометра и тахометра начнут безостановочно менять показатели, поднимаясь то вверх, то вниз. Такие действия обозначают готовность к тестированию и одновременно удаляют липовые ошибки. Если вы уверенны в том, что неисправности не существует, а произошёл очередной сбой, то на этом этапе, после того как стрелки тахометра и спидометра прекратили свои движения, можно выключить зажигание и попробовать завести автомобиль. Если панель ошибок чистая, то никаких действий можно не совершать, а если загорелся чек, то двигаемся дальше.
Диагностика существующих ошибок
Если всё таки есть место неким ошибкам в работе автомобиля, то необходимо, после совершения вышеуказанных действий, не выключая зажигание проделать следующие шаги:
- Необходимо поменять положение рычага управления поворотниками или дворниками автомобиля, после чего компьютер покажет версию программного обеспечения бортового компьютера обозначенную словом «ver».
 - После появление версии программы, необходимо ещё раз поменять положение рычага и бортовой компьютер начнёт диагностику и выявление ошибок.
 - Если ошибки существуют, то бортовой компьютер покажет номер этих ошибок, обозначенных цифрами, буквами или комбинацией цифр и букв.
 - Расшифровать данные коды вы можете, позвонив в сервисный центр любого официального дилера ВАЗ и сообщив им код ошибки.
 - Также продиагностировать автомобиль можно самостоятельно с помощью мобильного телефона, используя недорогой диагностический адаптер elm327 bluetooth.
 
С данными о существующих проблемах вы можете обратиться в СТО и не переживать, что вам накрутят несуществующие. Диагностировать двигатель самостоятельно намного удобнее и практичнее, компьютерная диагностика в автосервисах покажет те же самые коды, что и ваш бортовой компьютер.
Источник статьи: http://www.autodela.ru/main/blogs/alex_avto/samostoyatelno-sbrosit-oshibki-kompyutera-na-lade
Как предупредить появление ошибок на Лада Веста
Нередки случаи, когда после диагностики и осмотра автомобиля, мастера не находят существенных проблем в оборудовании, способных спровоцировать появление ошибок. При правильной профилактике и уходе за машиной, подобных ситуаций не возникает.
- Не допускать глубокого разряда аккумуляторной батареи. Все бортовое оборудование, включая чувствительные датчики, чрезвычайно остро реагируют на просадку напряжения внутри сетей, что может спровоцировать их отказ или некорректную работу. Также следует внимательно относиться к работе генератора – сильные скачки также негативно влияют на долговечность оборудования.
 - Один раз в год диагностировать состояние всех проводов и элементов конструкции. При эксплуатации автомобиля, вся электрика подвергается влиянию перепадов температур, влаги, грязи. Внешние факторы сильно вредят оплетке кабелей, что приводит к ее пересыханию и растрескиванию. Впоследствии изоляция нарушается, что приводит к образованию коротких замыканий и появлению ошибок.
 - Периодически проверять плотность соединений и состояние клеммных колодок. При активной езде, пластиковые зажимы подвергаются сильной вибрации – это нередко становится причиной нарушения контакта и потери сигнала от сенсора.
 
Также некоторые специалисты рекомендуют обрабатывать специальным маслом все соединения – это предупредит попадание влаги на клеммы и их окисление, что также негативно сказывается на прохождении сигнала к бортовому компьютеру. При этом, стоимость подобных лубрикантов относительно невысока, что позволяет достаточно экономно ухаживать за машиной.
Расшифровка ошибок Лада Веста подразумевает наличие специального оборудования. После считывания кодировок следует заменить изношенный узел и сбросить ошибки. Ввиду сложности устройства, рекомендуется не выполнять процедуру самостоятельно, а обратиться в специализированную мастерскую.
Источник статьи: http://vaz-russia.com/remont-lada-vesta/kody-oshibok-lada-vesta.html
Как предупредить появление ошибок на Лада Веста
Нередки случаи, когда после диагностики и осмотра автомобиля, мастера не находят существенных проблем в оборудовании, способных спровоцировать появление ошибок. При правильной профилактике и уходе за машиной, подобных ситуаций не возникает. Опытные мастера рекомендуют выполнять определенные действия во время эксплуатации транспортного средства.
- Не допускать глубокого разряда аккумуляторной батареи. Все бортовое оборудование, включая чувствительные датчики, чрезвычайно остро реагируют на просадку напряжения внутри сетей, что может спровоцировать их отказ или некорректную работу. Также следует внимательно относиться к работе генератора – сильные скачки также негативно влияют на долговечность оборудования.
 - Один раз в год диагностировать состояние всех проводов и элементов конструкции. При эксплуатации автомобиля, вся электрика подвергается влиянию перепадов температур, влаги, грязи. Внешние факторы сильно вредят оплетке кабелей, что приводит к ее пересыханию и растрескиванию. Впоследствии изоляция нарушается, что приводит к образованию коротких замыканий и появлению ошибок.
 - Периодически проверять плотность соединений и состояние клеммных колодок. При активной езде, пластиковые зажимы подвергаются сильной вибрации – это нередко становится причиной нарушения контакта и потери сигнала от сенсора.
 
Также некоторые специалисты рекомендуют обрабатывать специальным маслом все соединения – это предупредит попадание влаги на клеммы и их окисление, что также негативно сказывается на прохождении сигнала к бортовому компьютеру. При этом, стоимость подобных лубрикантов относительно невысока, что позволяет достаточно экономно ухаживать за машиной.
Расшифровка ошибок Лада Веста подразумевает наличие специального оборудования. После считывания кодировок следует заменить изношенный узел и сбросить ошибки. Ввиду сложности устройства, рекомендуется не выполнять процедуру самостоятельно, а обратиться в специализированную мастерскую.
Чужой компьютер
Лада Веста | Lada Vesta SW Cross
вернуться к странице
Алексей Алексеев запись закреплена
Как сбросить ошибку кто знает ?
Нравится Показать список оценивших
Сначала старые
Через обд разъём. Елм327, комп или телефон, проги. Или в сервисе/диллере.
Нравится Показать список оценивших
Артур, если АКБ скинуть не поможет ? Я вот все думаю если АКБ отключать на ней какие либо последствия могут быть ?
Нравится Показать список оценивших
Артур, дилеры сказали ездий до 15000 потом приезжай. После мойки Джеки чан загорелся . И меня бесит этот значек . Так смотрел знакомый через разъем показывает датчик после катализатора молчит
Нравится Показать список оценивших
Эта иконка может выглядеть, как оранжевая или желтая миниатюрка двигателя. Когда она начинает мигать, неопытный водитель может впасть в панику от непонимания, как нужно поступить.
- Бензин низкого качества.
 - Очень грязные или работающие с дефектом свечи зажигания, неправильное расстояние между центральным и боковым электродами.
 - Высоковольтные провода с пробитой изоляцией или дефекты контактов.
 - Проблемы с катушкой зажигания.
 - Подача бензина происходит с нарушениями, которые связаны с поломкой топливных форсунок.
 - Давление топлива очень низкое, так как сломан бензонасос, его сетки очень грязные и снижена пропускная проводимость бензинного фильтра.
 - Нарушение работы лямба-зонда и катализатора.
 - Неисправные части датчиков ЭСУД.
 
Какой алгоритм действий можно предпринять, чтобы самостоятельно устранить горящий индикатор?
Если вы выполнили все эти действия, и значок продолжает мигать, значит, неполадка находится гораздо глубже и для ее устранения нужно провести глубокую диагностику у специалистов.
Резко не стартуйте и не тормозите, езжайте медленно. К привычной скорости движения вы можете прибегать уже только после проведенной диагностики и ликвидации найденных погрешностей.
- 
Схема модуля зажигания авео т300
 - 
Как отключить сигнализацию кгб на машине полностью
 - 
Не работает прикуриватель митсубиси асх
 - 
Как проверить катушку зажигания форд фокус 2 1.8 мультиметром
 - Hdc недоступна системная ошибка land rover
 
Расшифровка кодов ошибок
Комбинация кода неисправности определяется 4 символами. Перед соответствующими цифрами обязательно находится буква – первое значение, указывающее на локализацию поломки:
- «В» — проблемы в кузове. Это могут быть электрическая часть подъемников стекла, подушки безопасности, замок центрального типа;
 - «С» — поломка подвески или более глобальная – ходовой части. Возможно, вышел из строя электроусилитель руля;
 - «Р» — самый распространенный знак во время проверки. Она символизирует поломку силового агрегата или системы трансмиссии.
 
Рассмотрим обозначения второго числа, стоящего после буквы:
- «0» — стандартный шифр OBD-2;
 - «1» — знак компании – производителя машины;
 - «2» — иконка компании — производителя;
 - «3» — резервный код.
 
Третий знак в комбинации нужен для определения типа неисправности:
- «1» — проблемы в топливном узле, поломка системы подачи воздуха. Система реагирует на напряжение сверх нормы внутри бортовой сети;
 - «2» — неполадки в системе топлива. Проблема заключается в датчике топливного бака, может быть определен обрыв цепей и их датчиков;
 - «3» — неполадки в системе зажигания, определенные бортовым компьютером;
 - «4» — вспомогательный контроль — регулировка системы и температуры антифриза (жидкости охлаждающего типа);
 - «5» — проверьте автомобиль на холостом ходу. Проблемы с индикатором наружной температуры (характеризуется специфическими показателями ЖКИ);
 - «6» — неисправность электрической цепи. Произошел перегрев мотора. При этом срабатывает акустический сигнализатор;
 - «7», «8» — проблемы в трансмиссионном агрегате. Опасное давление внутри емкости для масла, проблема или небольшая неисправность системы тормозов;
 - «9» — разряжен аккумулятор.
 

            























